lemon-mirror:
Home >> Kia >> 2004 >> Sorento V6-3.5L >> Repair and Diagnosis >> Diagrams >> Exploded Views >> Automatic Transmission/Transaxle >> System Diagram

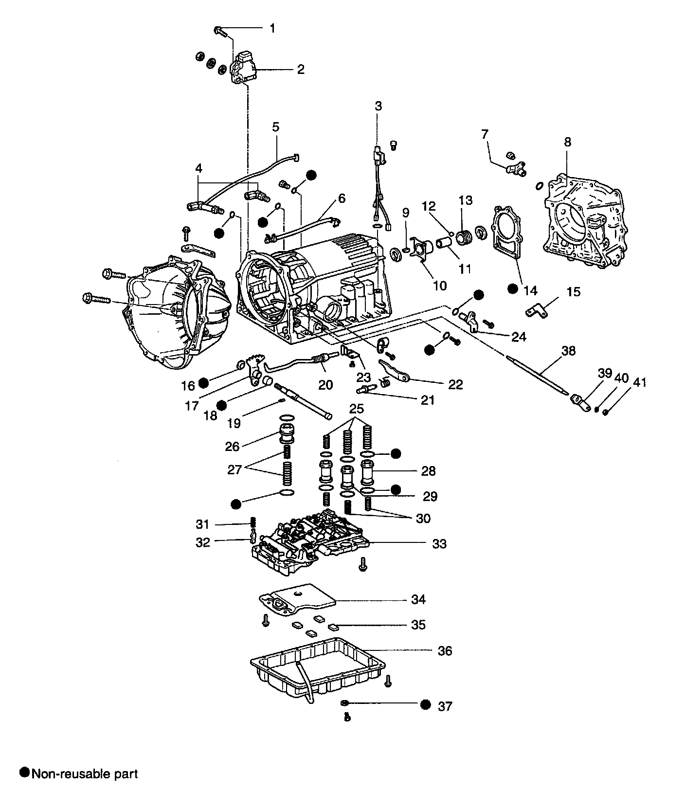
System Diagram








COMPONENTS (1)








COMPONENTS (2)