lemon-mirror:
Home >> Kia >> 2004 >> Rio L4-1.6L >> Repair and Diagnosis >> Powertrain Management >> Computers and Control Systems >> Engine Control Module >> Diagrams >> Connector View

Connector View

ECM Connector Views

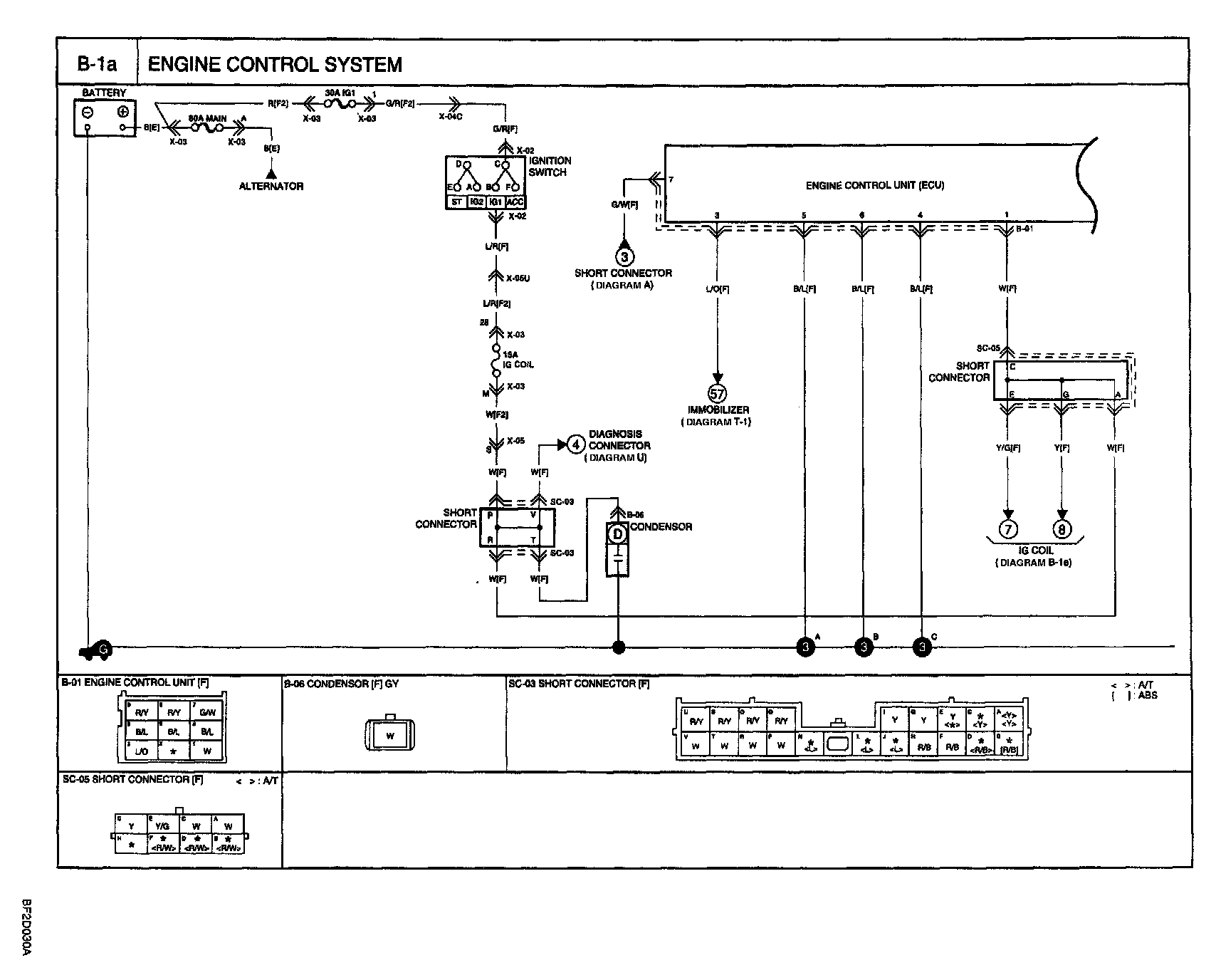
B-1a Engine Control System:




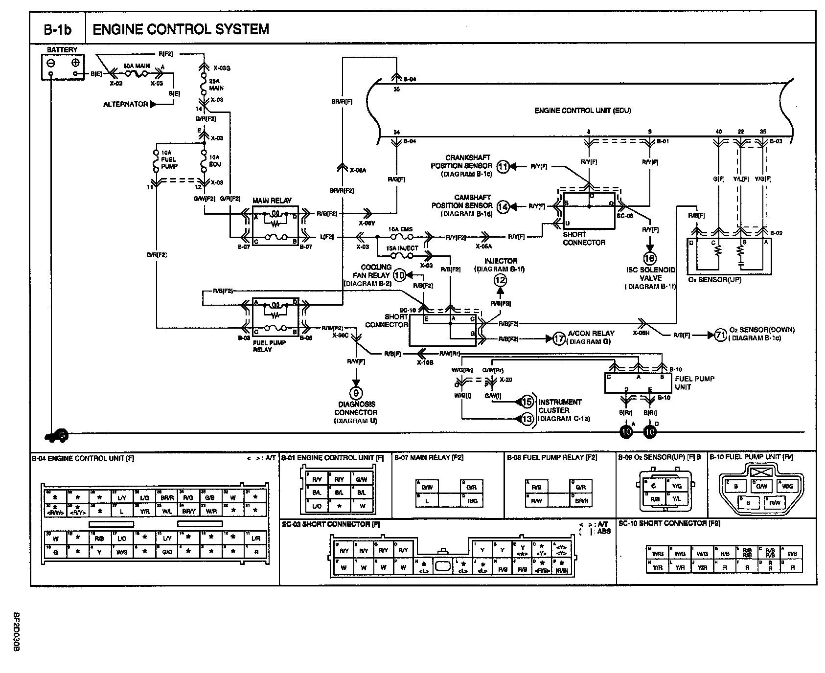
B-1b Engine Control System:




B-1c Engine Control System:




B-1d Engine Control System:




B-1e Engine Control System:




B-1f Engine Control System: