lemon-mirror:
Home >> Kia >> 2004 >> Rio L4-1.6L >> Repair and Diagnosis >> Heating and Air Conditioning >> Diagrams >> Exploded Views

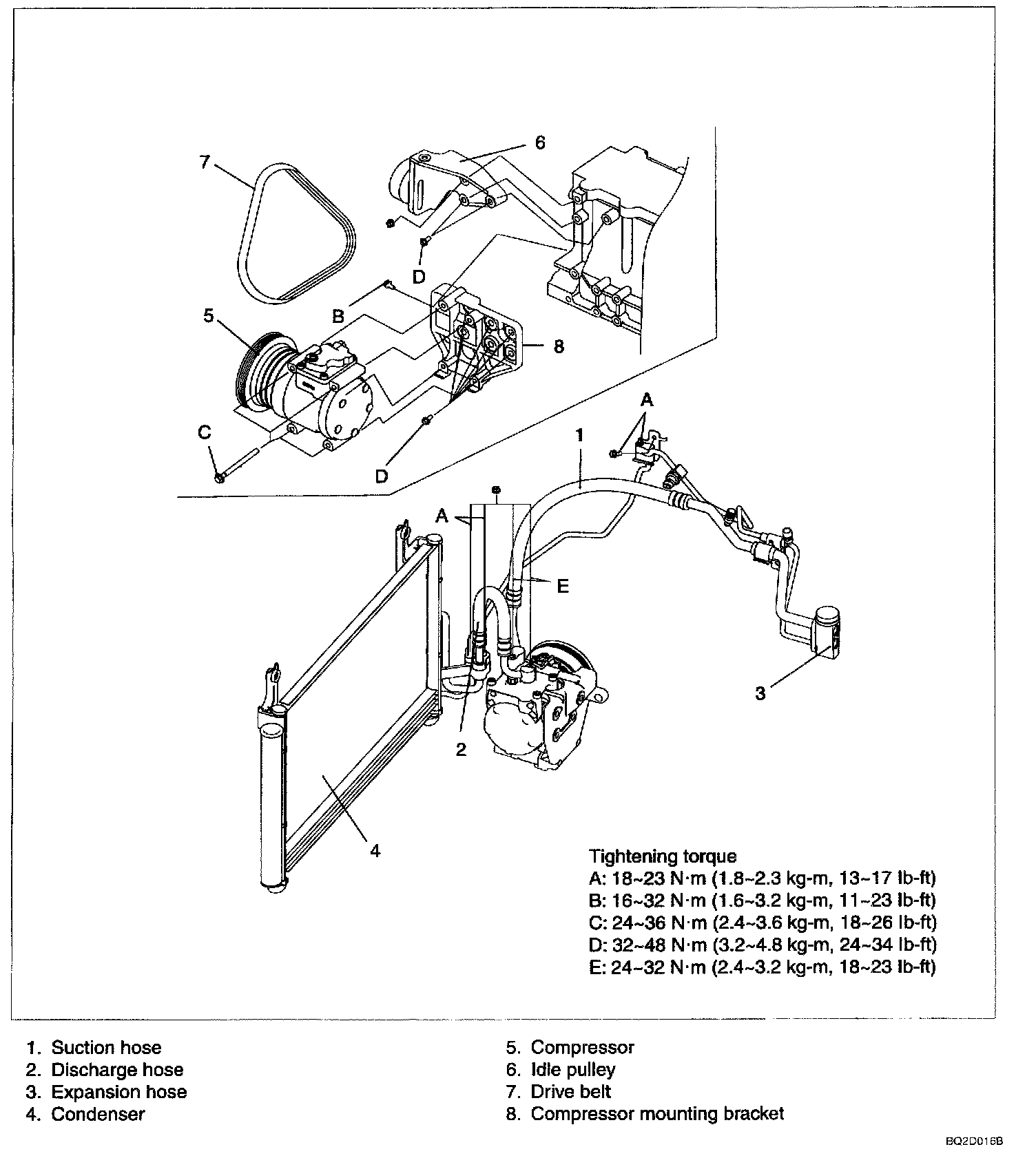
Exploded Views

Air Conditioning System - Components:



Air Conditioning System - Components: