lemon-mirror:
Home >> Kia >> 2004 >> Rio L4-1.6L >> Repair and Diagnosis >> Diagrams >> Exploded Views >> Oil Pump, Engine

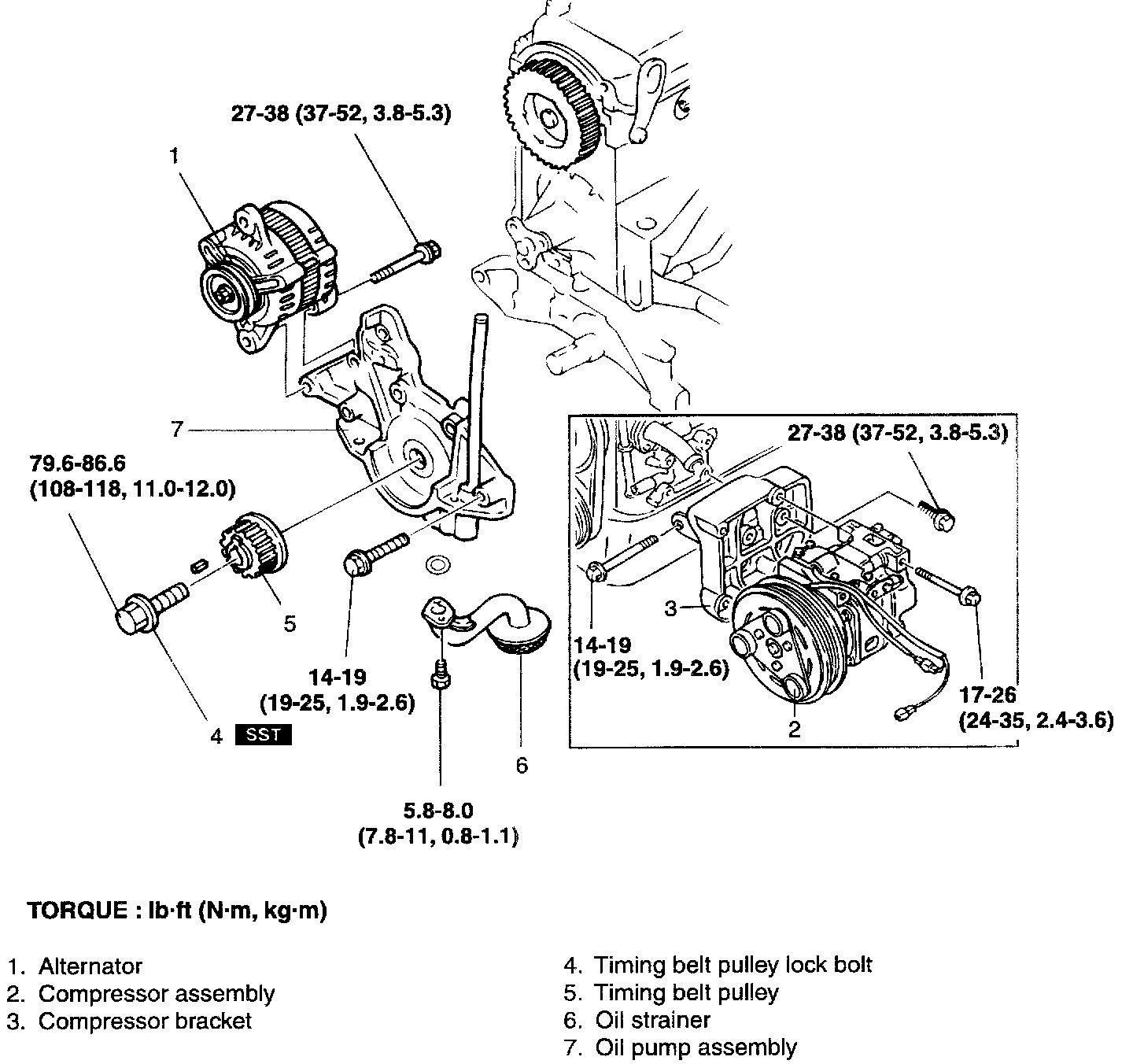
Oil Pump, Engine

Part 1:




Part 2:





OIL PUMP