lemon-mirror:
Home >> Kia >> 2004 >> Amanti V6-3.5L >> Repair and Diagnosis >> Powertrain Management >> Computers and Control Systems >> Fuel Level Sensor >> Testing and Inspection >> Low Fuel Sensor

Low Fuel Sensor

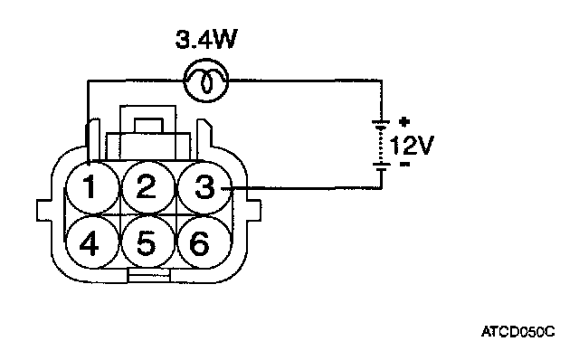
Fuel level sensor




1. Connect a testing bulb between the fuel gauge terminal 1 and 3 and dip the thermistor in water.
2. Check if the bulb lights on when the thermistor is in water and off when the thermistor is "out".

NOTE:
- Replace the fuel sensor assembly if malfunction occurs.
- After the test, and before the re-installation, dry the sender thoroughly.