lemon-mirror:
Home >> Kia >> 2003 >> Spectra L4-1.8L >> Repair and Diagnosis >> Heating and Air Conditioning >> Diagrams >> Exploded Views

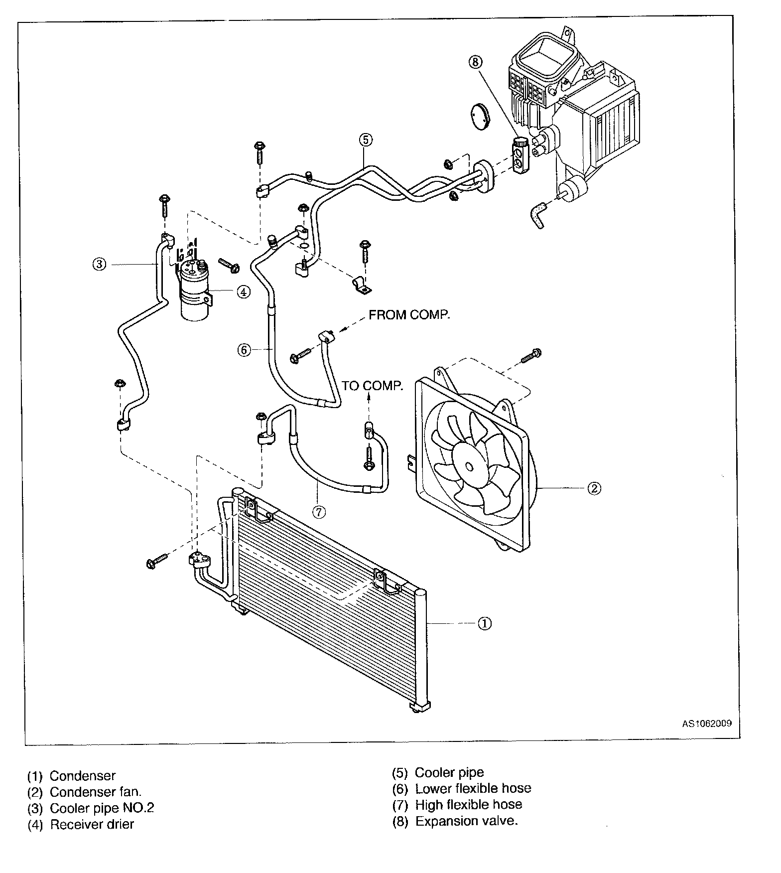
Exploded Views

Engine Room Compartment: