lemon-mirror:
Home >> Kia >> 2003 >> Spectra L4-1.8L >> Repair and Diagnosis >> Diagrams >> Exploded Views >> Trailing Arm

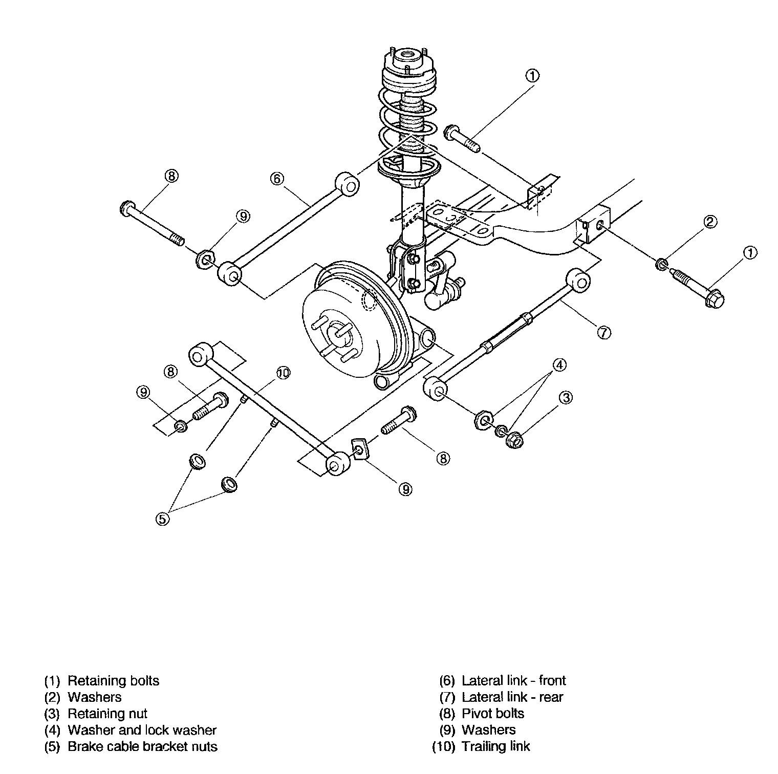
Trailing Arm