lemon-mirror:
Home >> Kia >> 2003 >> Spectra L4-1.8L >> Repair and Diagnosis >> Diagrams >> Exploded Views >> Heating and Air Conditioning >> Compressor HVAC

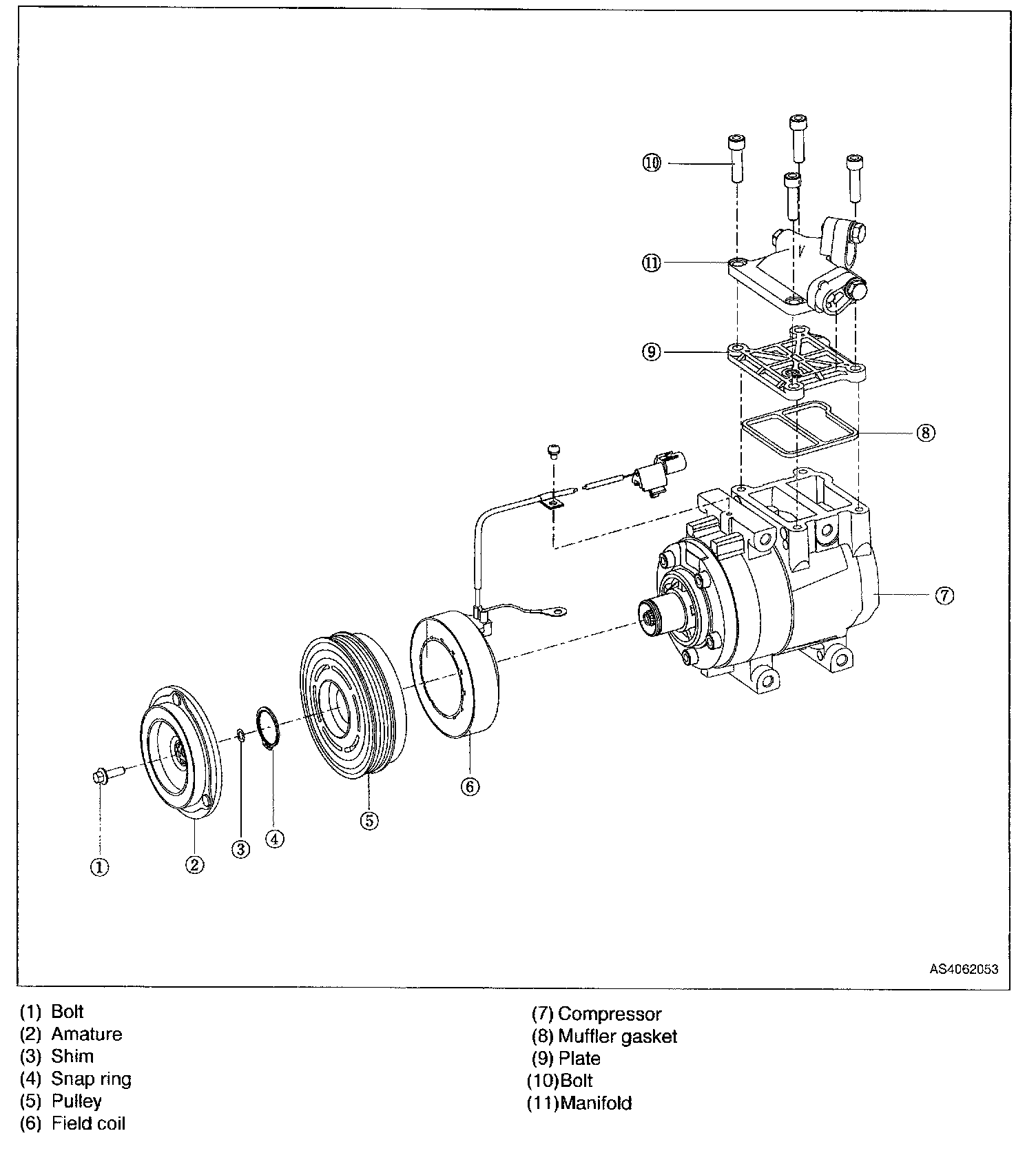
Compressor HVAC

Compressor: