lemon-mirror:
Home >> Kia >> 2003 >> Sorento V6-3.5L >> Repair and Diagnosis >> Powertrain Management >> Computers and Control Systems >> Engine Control Module >> Locations

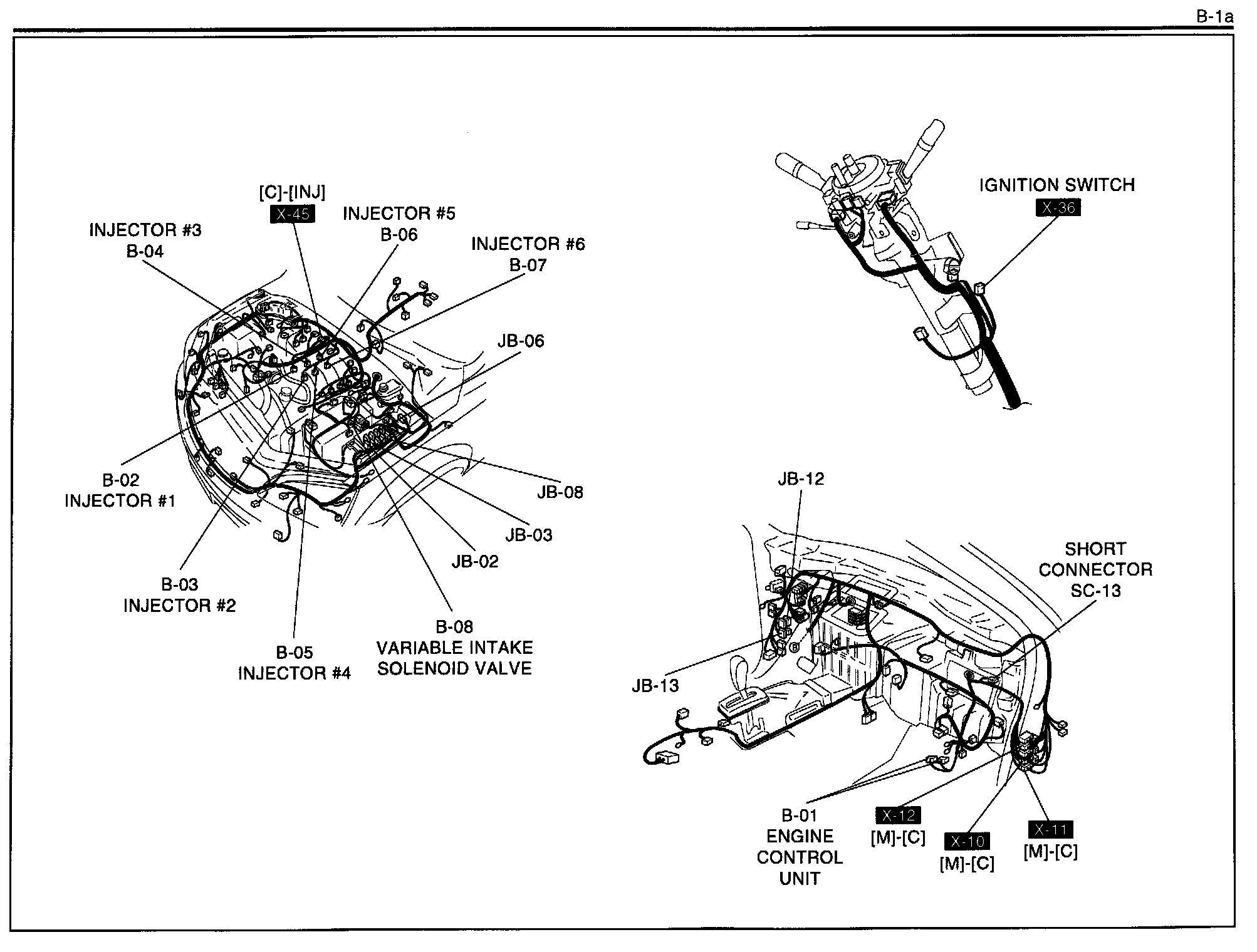
Engine Control Module: Locations

Routing View B-1a: