lemon-mirror:
Home >> Kia >> 2003 >> Sorento V6-3.5L >> Repair and Diagnosis >> Diagrams >> Exploded Views >> Power Steering Pump

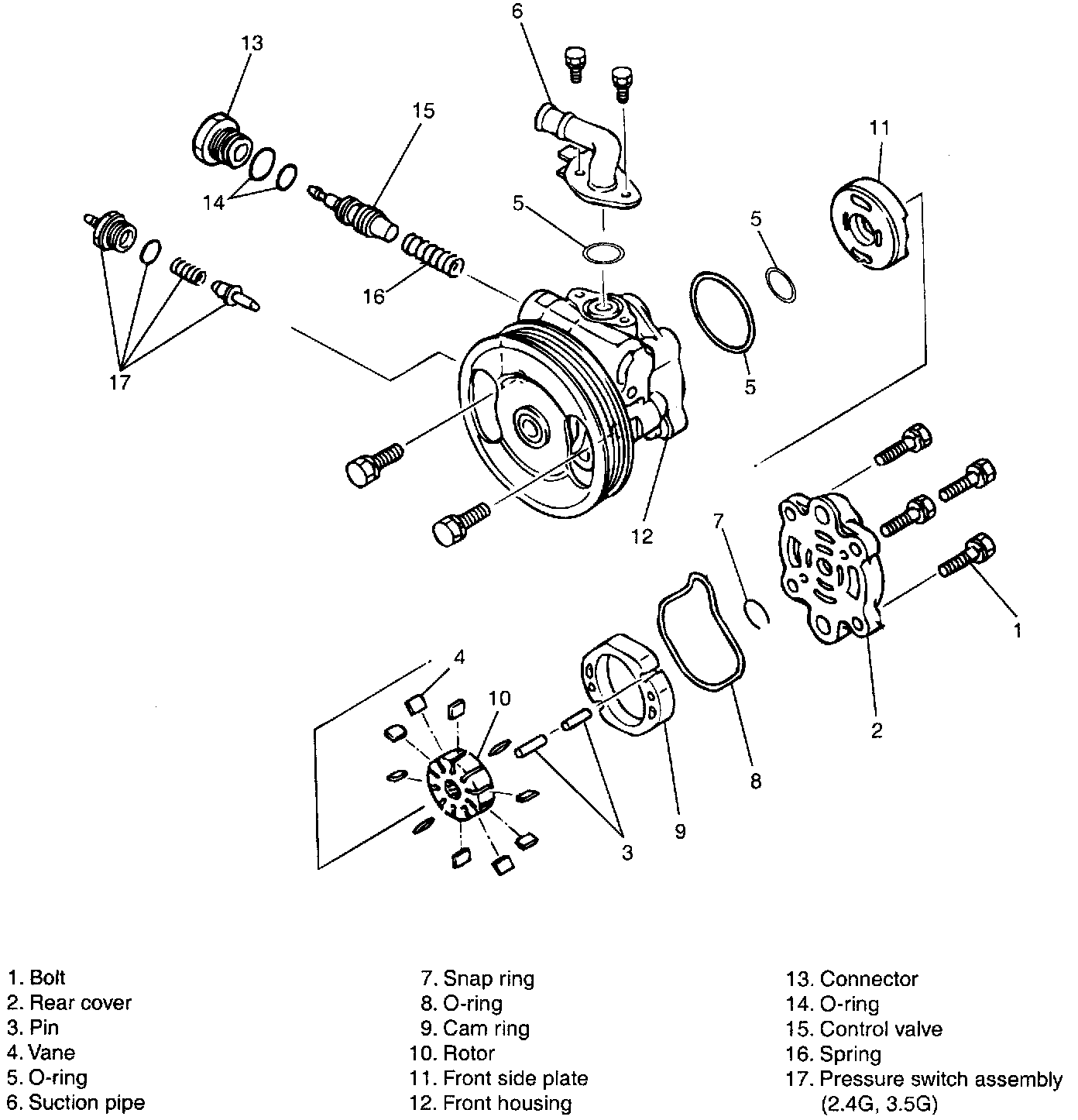
Power Steering Pump

POWER STEERING OIL PUMP
COMPONENTS