lemon-mirror:
Home >> Kia >> 2003 >> Sorento V6-3.5L >> Repair and Diagnosis >> Diagrams >> Exploded Views >> Combination Switch

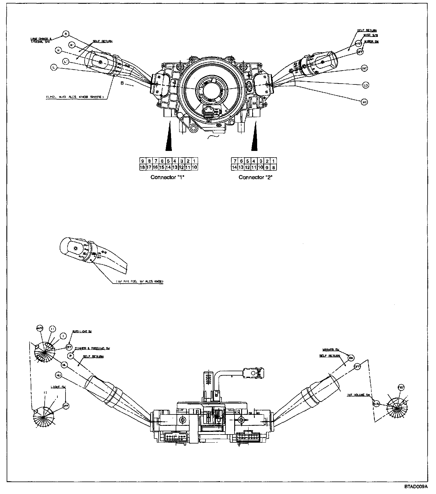
Combination Switch

Multi Function Switch: