lemon-mirror:
Home >> Kia >> 2003 >> Sorento V6-3.5L >> Repair and Diagnosis >> Cruise Control >> Locations

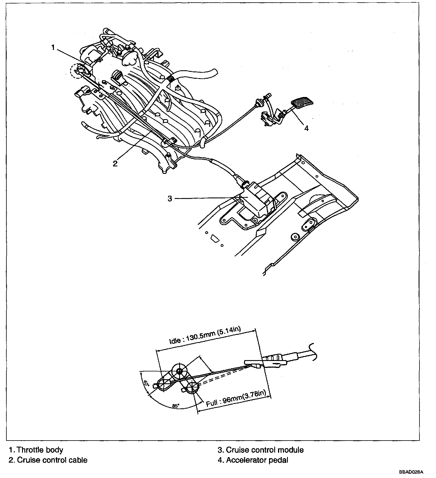
Cruise Control: Locations