lemon-mirror:
Home >> Kia >> 2003 >> Sedona V6-3.5L >> Repair and Diagnosis >> Diagrams >> Exploded Views >> Alternator

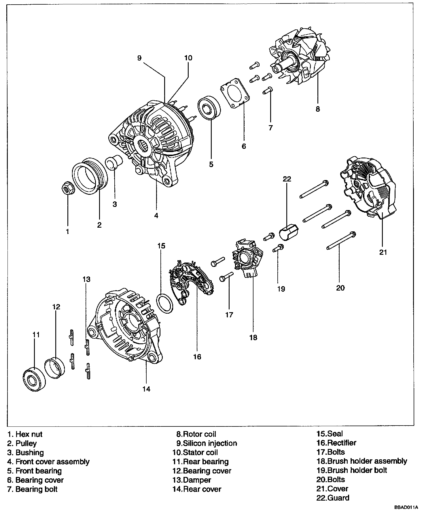
Alternator

Generator: