lemon-mirror:
Home >> Kia >> 2003 >> Optima V6-2.7L >> Repair and Diagnosis >> Powertrain Management >> Computers and Control Systems >> Main Relay (Computer/Fuel System) >> Locations >> Connector Locations

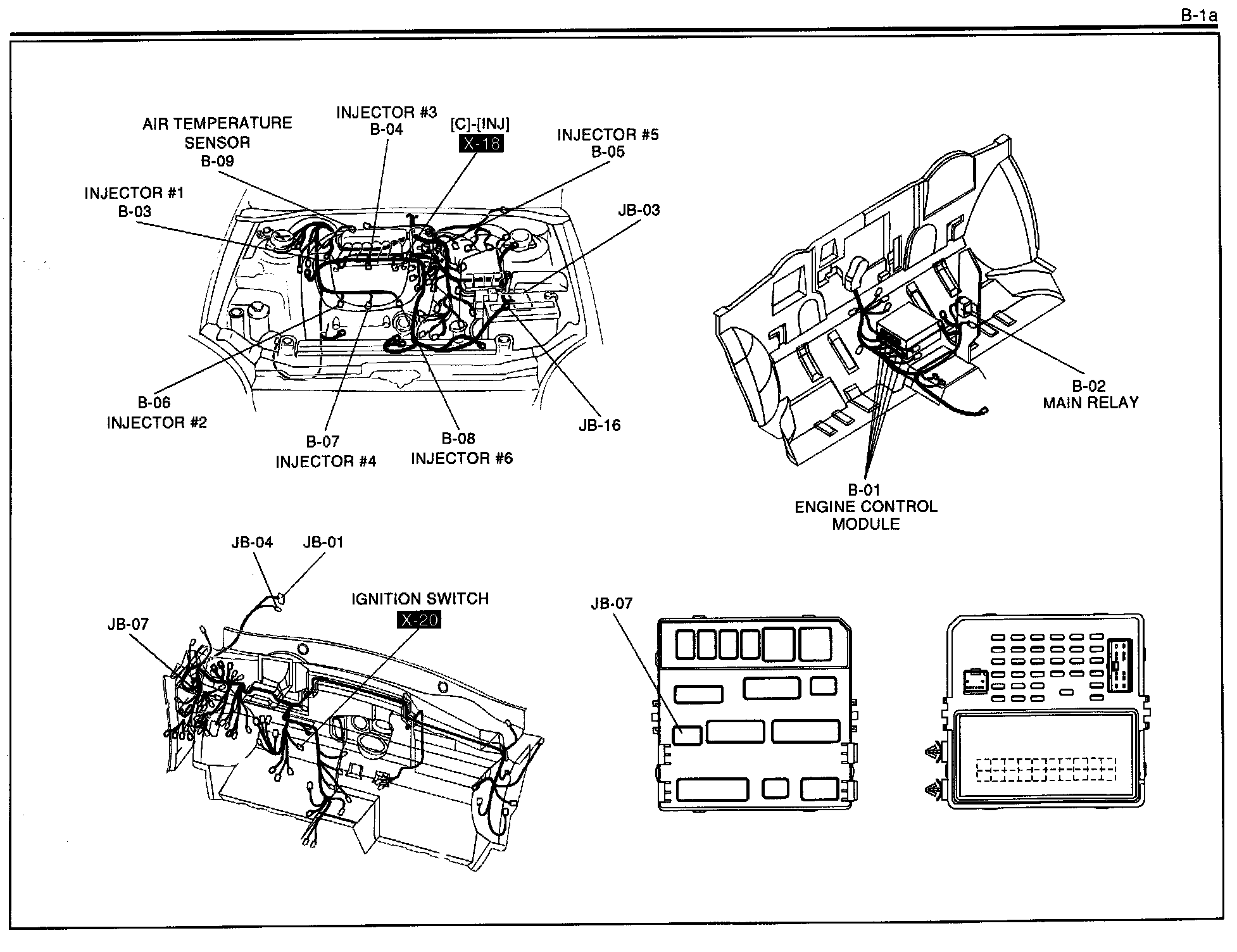
Connector Locations

Routing View B-1a: