lemon-mirror:
Home >> Kia >> 2003 >> Optima V6-2.7L >> Repair and Diagnosis >> Powertrain Management >> Computers and Control Systems >> Crankshaft Position Sensor >> Testing and Inspection

Crankshaft Position Sensor: Testing and Inspection

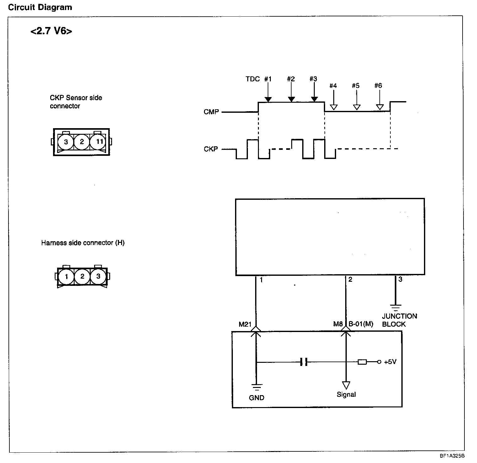
CRANKSHAFT POSITION SENSOR
The crankshaft position sensor senses the crank angle (piston position) of each cylinder and converts it into a pulse signal. Based on the input signal, the ECM computes the engine speed and controls the fuel injection timing and ignition timing.


Circuit Diagram:






TROUBLESHOOTING HINTS
1. If unexpected shocks are felt during driving or the engine stalls suddenly, shake the crankshaft position sensor harness. If this causes the engine to stall, check for poor sensor connector contact.

2. If the tachometer reads 0 rpm when the engine is cranked, check for faulty crank angle sensor, broken timing belt or ignition system problems.

3. If the engine can be run at idle even if the crank angle sensor reading is out of specification, check the following:
- Faulty engine coolant temperature sensor
- Faulty idle speed control motor
- Poorly adjusted reference idle speed


Using GST:






Harness Inspection Procedures: