lemon-mirror:
Home >> Kia >> 2003 >> Optima L4-2.4L >> Repair and Diagnosis >> Windows and Glass >> Windows >> Power Window Switch >> Testing and Inspection

Power Window Switch: Testing and Inspection

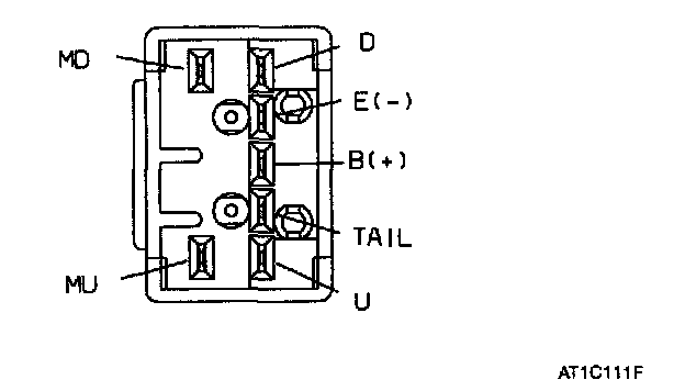
POWER WINDOW MAIN SWITCH







1. Remove the switch from the door trim panel.
2. Check for continuity between the terminals. If continuity is not as specified in the table, replace the power window switch.







POWER WINDOW SUB SWITCH







DOOR LOCK SWITCH