lemon-mirror:
Home >> Kia >> 2003 >> Optima L4-2.4L >> Repair and Diagnosis >> Powertrain Management >> Computers and Control Systems >> Main Relay (Computer/Fuel System) >> Locations >> Component Locations

Component Locations

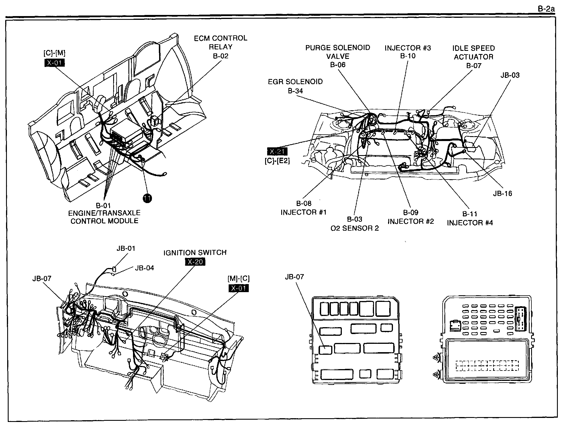
Routing View B-2a: