lemon-mirror:
Home >> Kia >> 2002 >> Sportage EX 2WD L4-2.0L >> Repair and Diagnosis >> Diagrams >> Exploded Views >> Cooling System

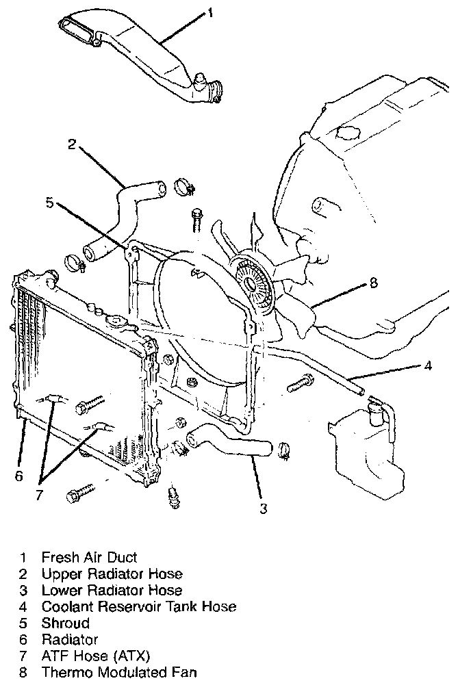
Cooling System