lemon-mirror:
Home >> Kia >> 2002 >> Spectra GSX L4-1.8L >> Repair and Diagnosis >> Diagrams >> Electrical Diagrams >> Timer/Control Unit, Accessory Control >> I-1b

I-1b

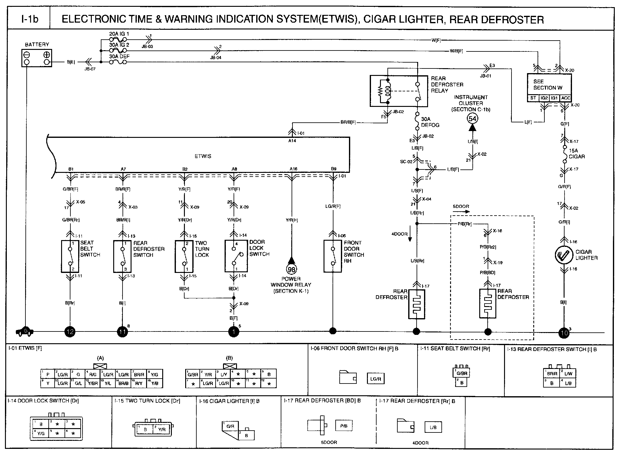
I-1b - Electrical Time & Warning Indication System(ETWIS), Cigar Lighter, Rear Defroster Circuit:






NOTE: Other diagrams referred to by section number but not shown here can be found at Diagrams by Diagram Section Number. Electrical Diagrams