lemon-mirror:
Home >> Kia >> 2002 >> Sedona EX V6-3.5L >> Repair and Diagnosis >> Powertrain Management >> Computers and Control Systems >> Engine Control Module >> Locations >> Harness Locations >> B-1f - Powertrain Control System (PCM)

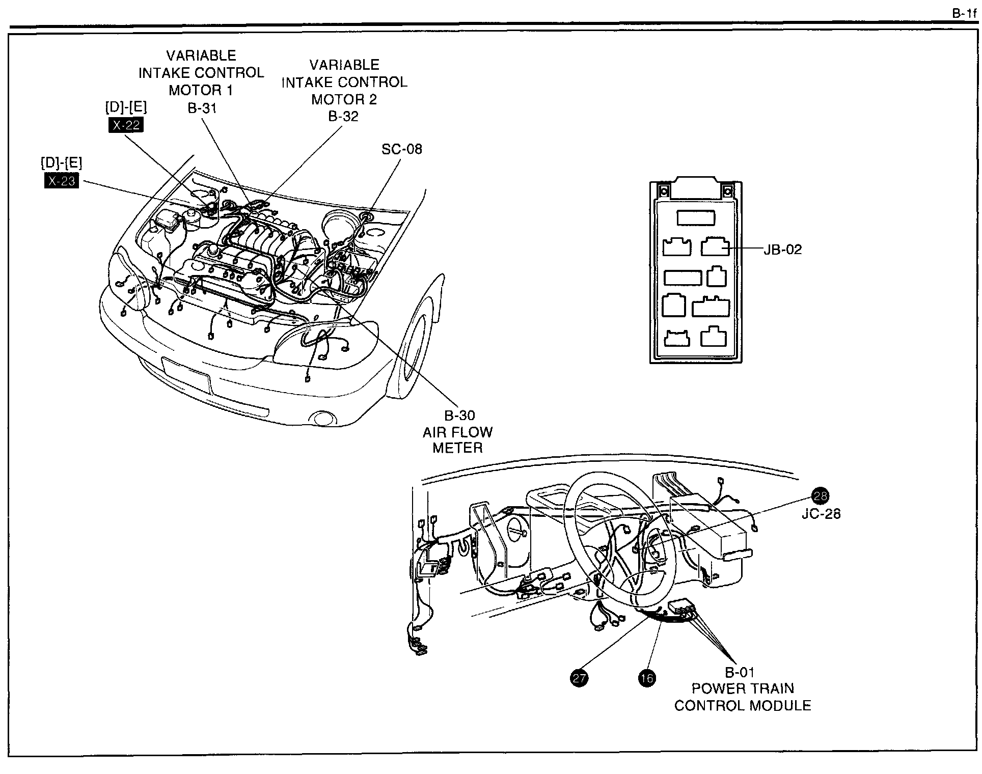
B-1f - Powertrain Control System (PCM)

B-1f - Power Train Control System (PCM) Harness/Connector Symbols: