lemon-mirror:
Home >> Kia >> 2002 >> Rio L4-1.5L >> Repair and Diagnosis >> Diagrams >> Exploded Views >> Control Arm

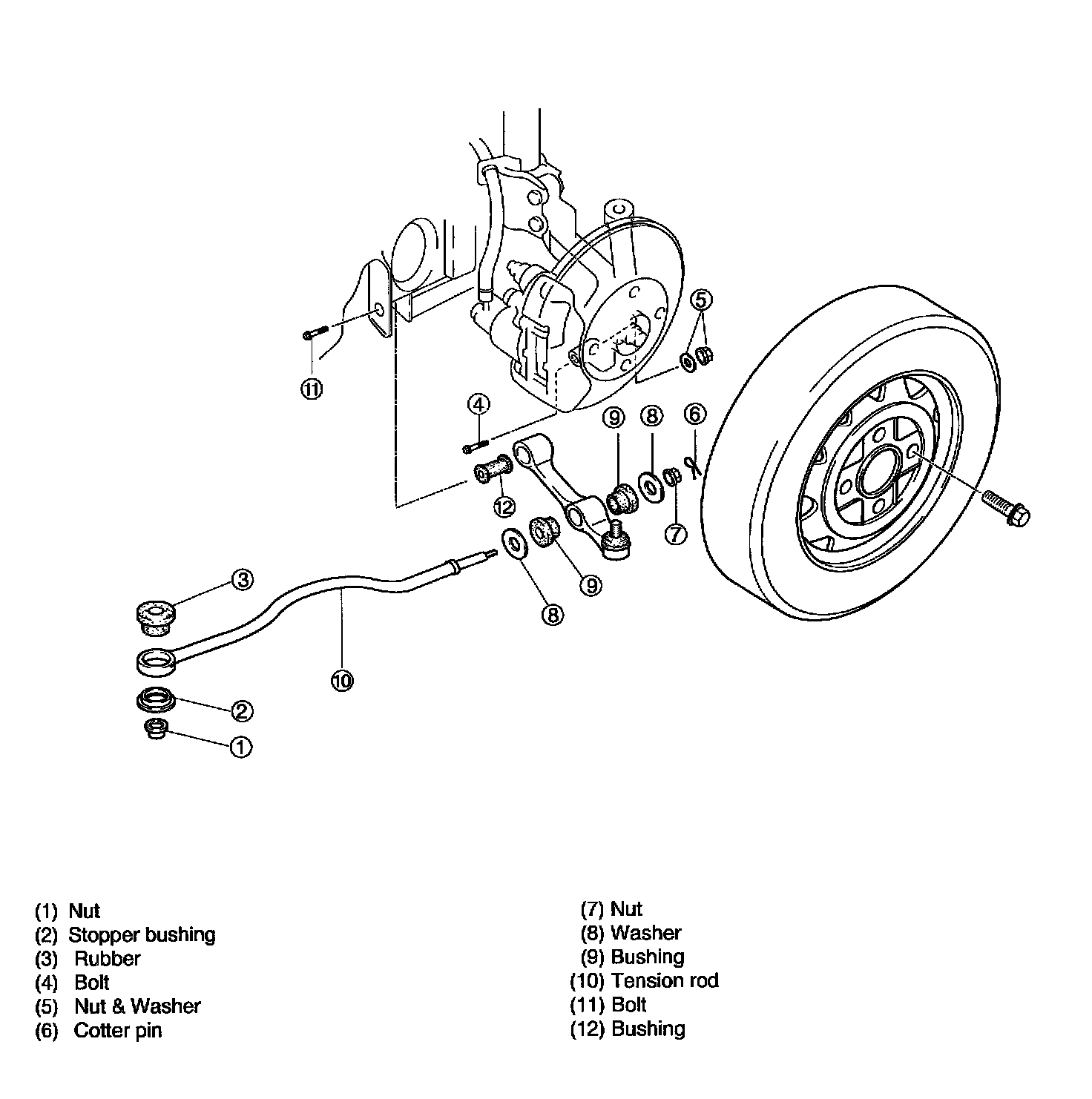
Control Arm