lemon-mirror:
Home >> Kia >> 2002 >> Optima L4-2.4L >> Repair and Diagnosis >> Powertrain Management >> Computers and Control Systems >> Engine Control Module >> Locations >> Connector Locations >> B-3b - Engine Control System (ECM)

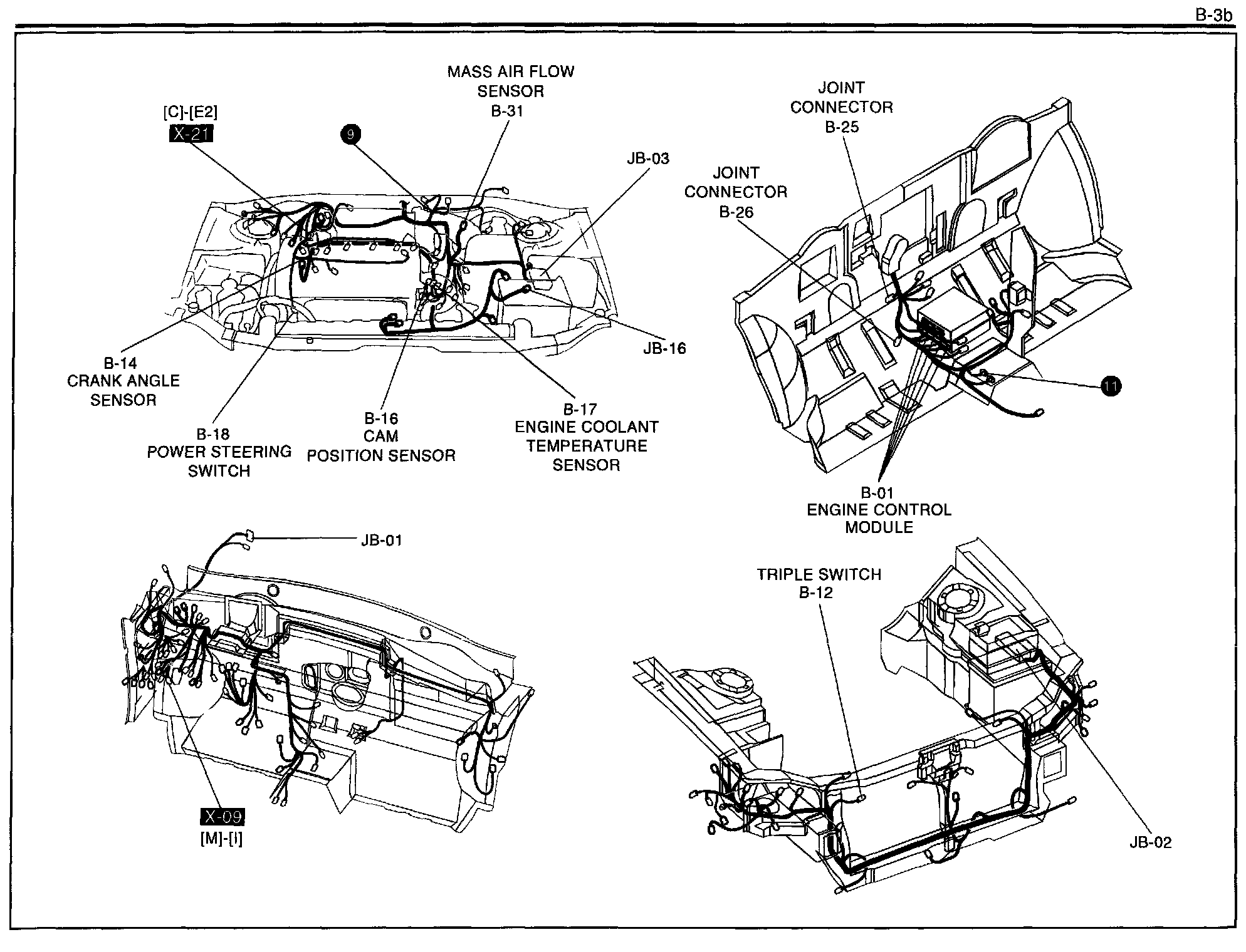
B-3b - Engine Control System (ECM)

B-3b - Engine Control System (ECM) Harness/Connector Symbols: