lemon-mirror:
Home >> Kia >> 2002 >> Optima L4-2.4L >> Repair and Diagnosis >> Powertrain Management >> Computers and Control Systems >> Engine Control Module >> Locations >> Connector Locations >> B-2c - Engine/Transaxle Control System (ECM/TCM)

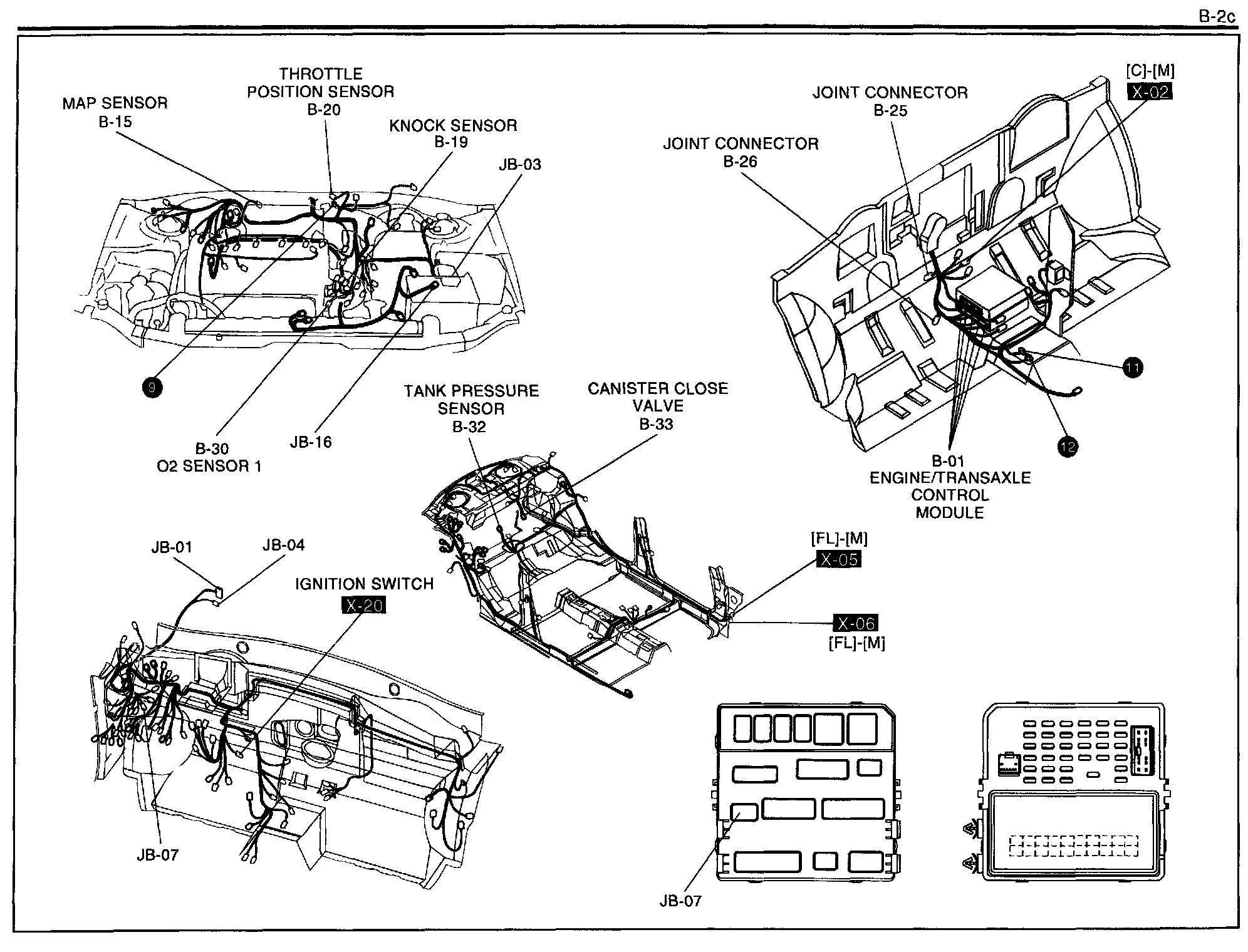
B-2c - Engine/Transaxle Control System (ECM/TCM)

B-2c - Engine/Transaxle Control System (ECM/TCM) Harness/Connector Symbols: