lemon-mirror:
Home >> Kia >> 2002 >> Optima L4-2.4L >> Repair and Diagnosis >> Maintenance >> Vehicle Lifting >> Service and Repair

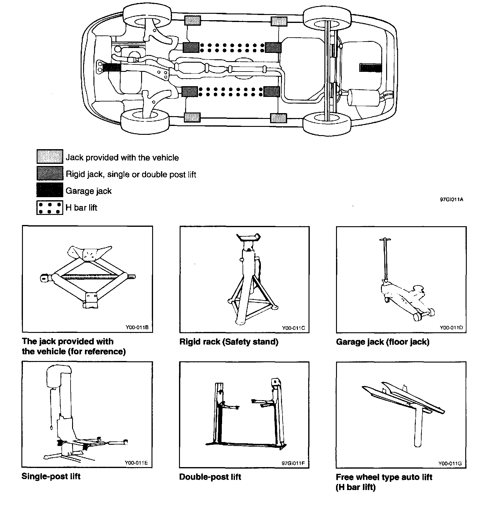
Vehicle Lifting: Service and Repair

Vehicle Lift And Support Locations:






CAUTION:
1. Never use a jack at the lateral rod or rear suspension assembly.
2. In order to prevent scarring the center member, place a piece of cloth on the jacks contact surface. Scoring the crossmember or damage to the coating could cause corrosion.
3. Never attempt to position a floor jack on any part of the vehicle underbody.
4. Do not attempt to raise one entire side of the vehicle by placing a lack midway between the front and rear wheels. To do so could result in permanent damage to the body.