lemon-mirror:
Home >> Kia >> 2002 >> Optima L4-2.4L >> Repair and Diagnosis >> Heating and Air Conditioning >> Condenser Fan >> Locations

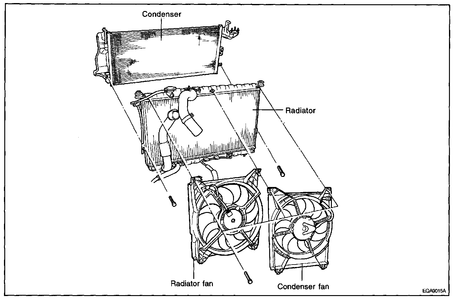
Condenser Fan: Locations