lemon-mirror:
Home >> Kia >> 2001 >> Spectra GSX L4-1.8L >> Repair and Diagnosis >> Heating and Air Conditioning >> System Relay >> Testing and Inspection

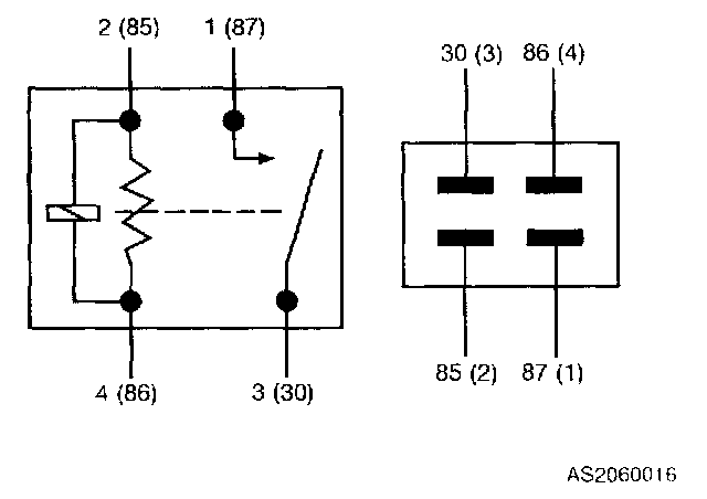
System Relay: Testing and Inspection

A/C relay

1. Disconnect A/C relay connector.




2. Check continuity between terminals.
3. If not as specified, replace relay.




4. If correct, go to next step.
5. Apply 12 V to terminal 85 and ground terminal 86.




6. Check for continuity between terminals 87 and 30.




7. If not as specified, replace relay.