lemon-mirror:
Home >> Kia >> 2001 >> Spectra GSX L4-1.8L >> Repair and Diagnosis >> Diagrams >> Exploded Views >> Engine >> Cylinder Block Assembly >> System Diagram

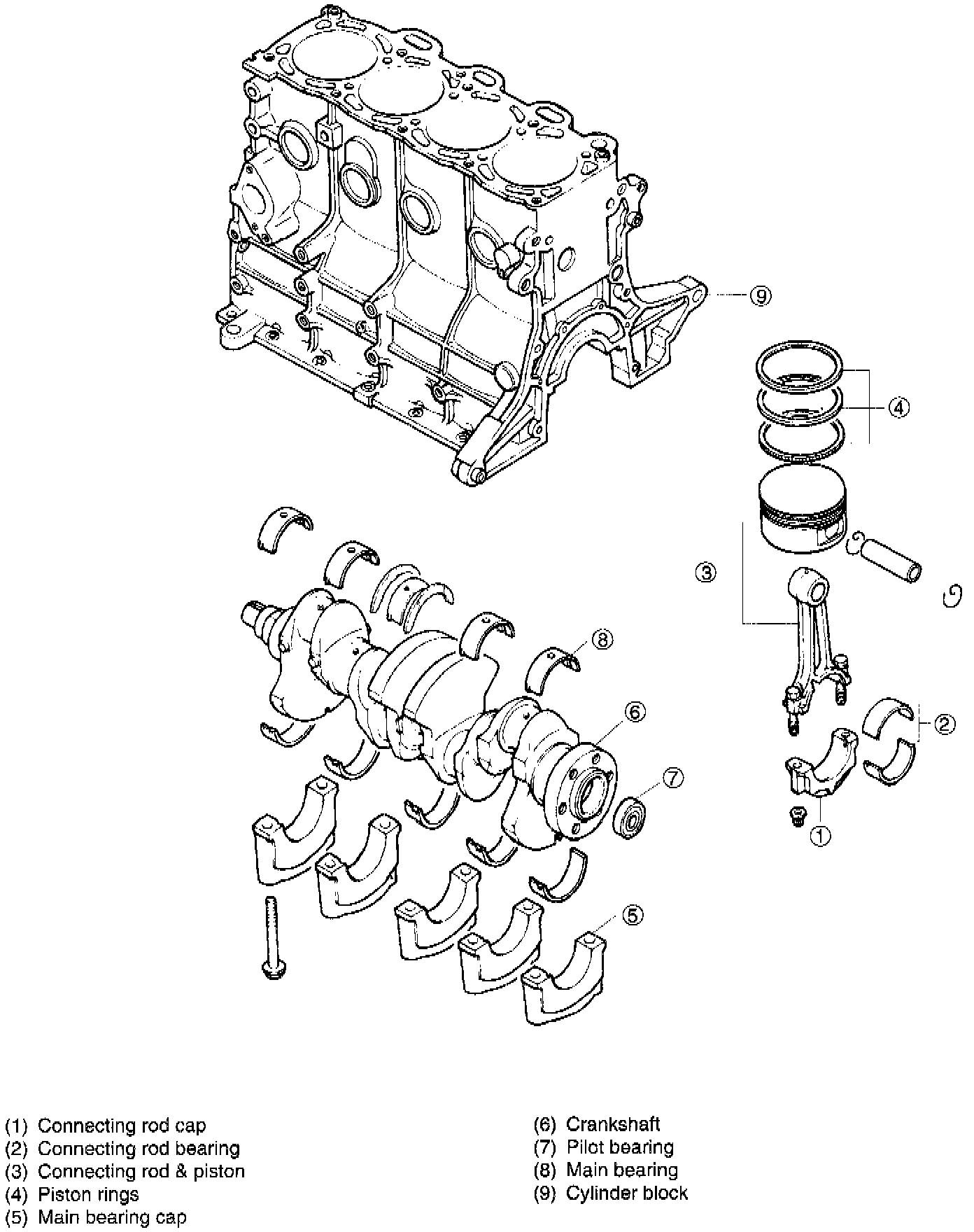
System Diagram