lemon-mirror:
Home >> Kia >> 2001 >> Rio L4-1.5L >> Repair and Diagnosis >> Diagrams >> Exploded Views >> Suspension >> System Diagram

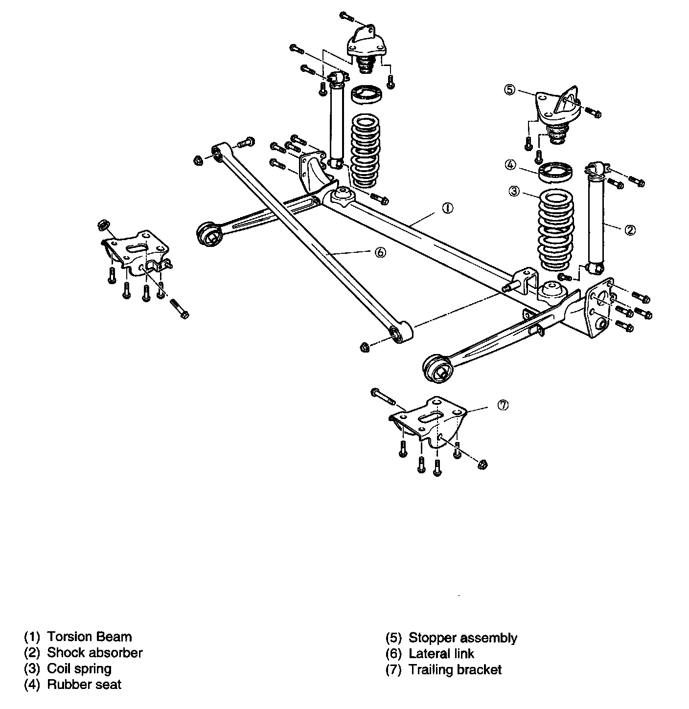
System Diagram