lemon-mirror:
Home >> Kia >> 2001 >> Rio L4-1.5L >> Repair and Diagnosis >> Diagrams >> Electrical Diagrams >> Interior Lighting Module

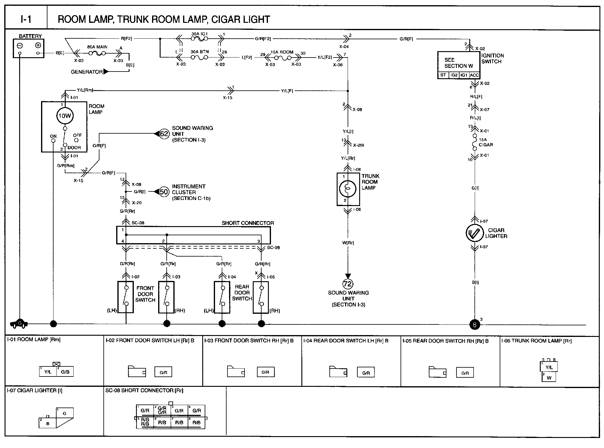
Interior Lighting Module

I-1 - Room Lamp, Trunk Room Lamp, Cigar Light Circuit: