lemon-mirror:
Home >> Kia >> 2001 >> Optima L4-2.4L >> Repair and Diagnosis >> Powertrain Management >> Computers and Control Systems >> Oxygen Sensor >> Testing and Inspection

Oxygen Sensor: Testing and Inspection

HEATED OXYGEN SENSOR (HO2S) [2.4 DOHC]
The heated oxygen sensor senses the oxygen concentration in exhaust gas, converts it into a voltage, which is sent to the ECM. The oxygen sensor outputs about 1 When the airfuel ratio is richer than the theoretical ratio, and outputs about 0 V when the ratio is leaner (higher oxygen concentration in exhaust gas). The ECM controls the fuel injection ratio based on this signal so that the air fuel ratio is maintained at the theoretical ratio. The oxygen sensor has a heater element which ensures the sensor performance during all driving conditions.




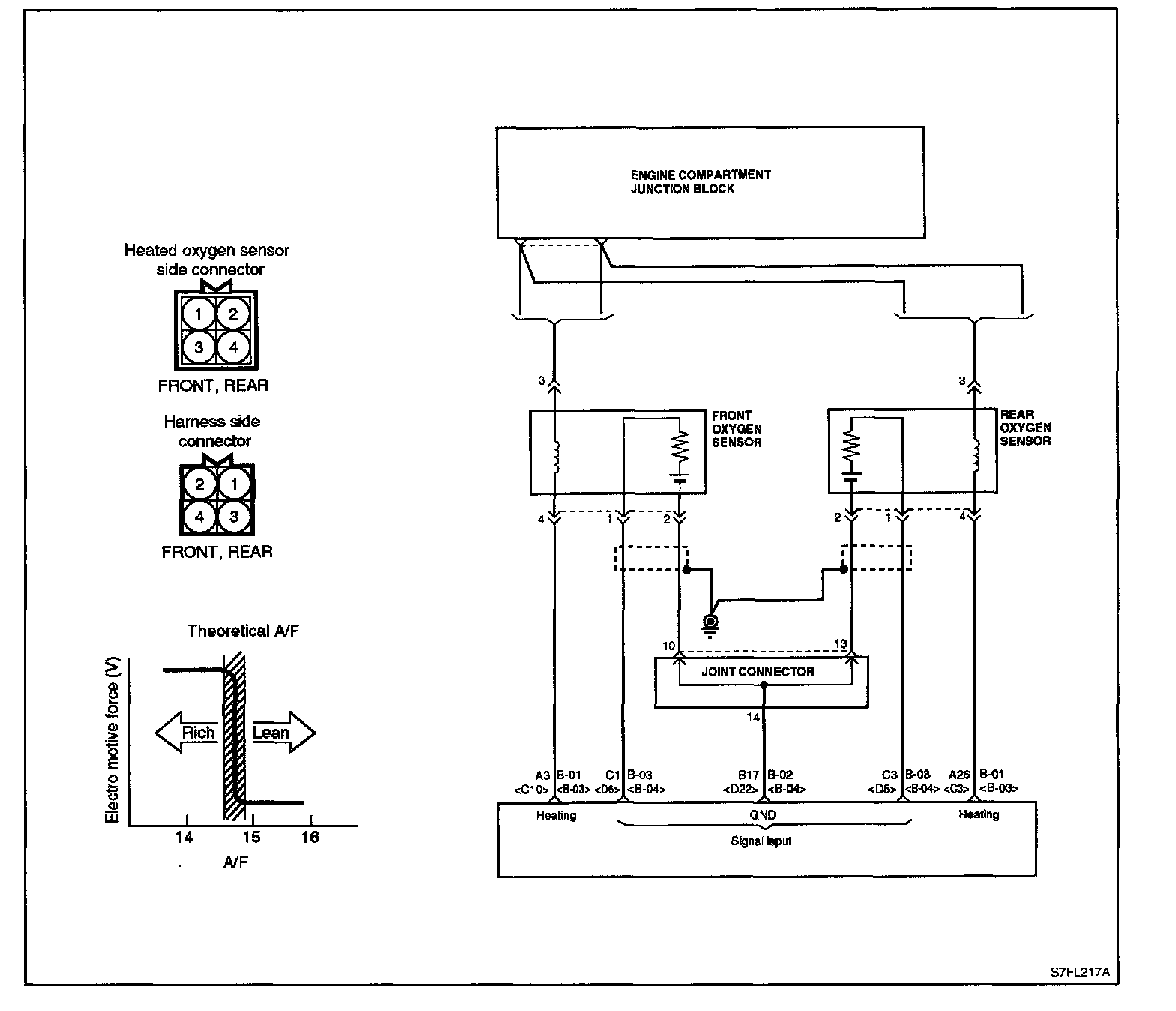
CIRCUIT DIAGRAM <2.4 DOHC>

TROUBLESHOOTING HINTS
1. If the HO2S is defective, abnormally high emissions may occur.
2. If the HO2S check results were normal, but the sensor output voltage is out of specification, check for the following items (related to air fuel ratio control system):
- Faulty injector
- Air leaks in the intake manifold
- Faulty volume air flow sensor, intake air temperature sensor, barometric pressure sensor, engine coolant temperature sensor.




USING GST

INSPECTION

NOTE:
1. Before checking, warm up the engine until the engine coolant temperature reaches 80 to 95 °C (176 to 205 °F).
2. Use an accurate digital voltmeter.

Standard Value:







1. Disconnect the oxygen sensor connector, and measure the resistance between terminal 3 and terminal 4.
2. Replace the oxygen sensor if there is malfunction.




3. Apply battery voltage directly between terminal 3 and terminal 4.

NOTE: Take care when applying the voltage. Damage will result if the terminals are incorrect or are short circuited.

4. Connect a digital-type voltmeter between terminal 1 and terminal 2.







5. While repeatedly racing the engine, measure the oxygen sensor output voltage.
6. If there is a problem, there may be an oxygen sensor malfunction.

Tightening torque
Heated oxygen sensor 40 - 50 Nm (400 - 500 kg.cm, 29 - 36 lb.ft)

Harness Inspection Procedure:




HARNESS INSPECTION PROCEDURES