lemon-mirror:
Home >> Kia >> 2000 >> Spectra GSX L4-1.8L >> Repair and Diagnosis >> Heating and Air Conditioning >> System Relay >> Testing and Inspection

System Relay: Testing and Inspection

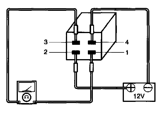
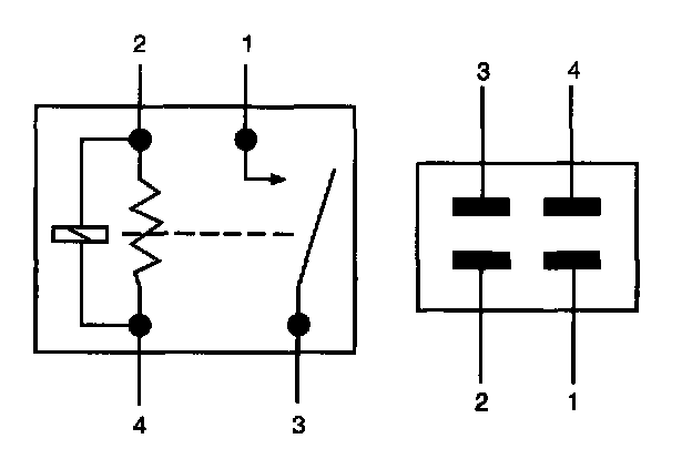
1. Disconnect A/C relay connector.







2. Check continuity between terminals.







3. If not as specified, replace relay.
4. If correct, go to next step.
5. Apply 12 V to terminal 2 and ground terminal 4,
6. Check for continuity between terminals 1 and 3.
7. If not as specified, replace relay.