lemon-mirror:
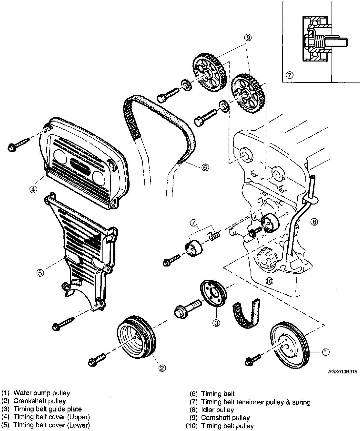
Home >> Kia >> 2000 >> Spectra GSX L4-1.8L >> Repair and Diagnosis >> Diagrams >> Exploded Views >> Timing Components >> System Diagram

System Diagram