lemon-mirror:
Home >> Kia >> 2000 >> Spectra GSX L4-1.8L >> Repair and Diagnosis >> Diagrams >> Exploded Views >> Disc Brake System >> Front

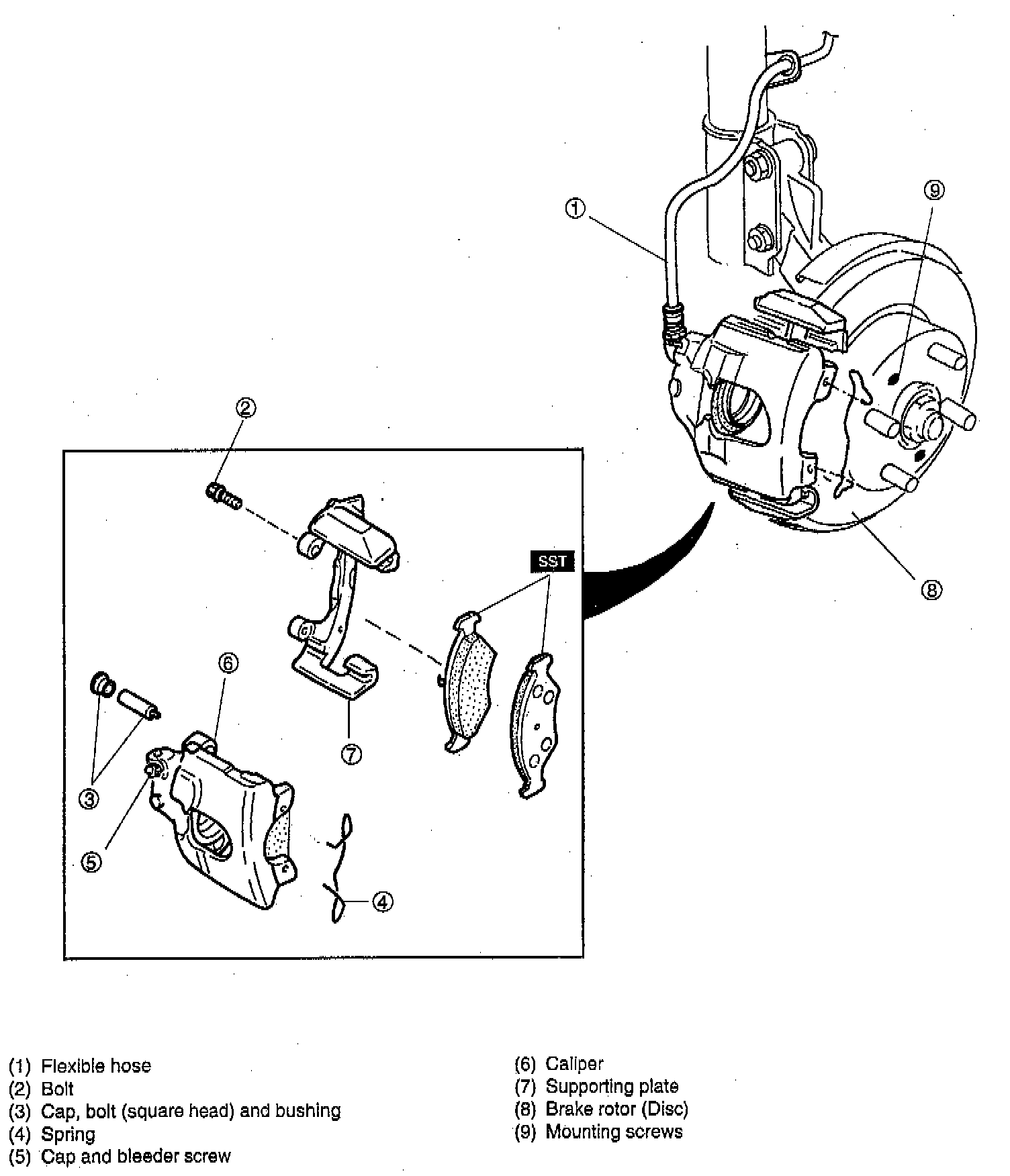
Front