lemon-mirror:
Home >> Jeep >> 2009 >> Grand Cherokee 2WD V6-3.7L >> Repair and Diagnosis >> Power and Ground Distribution >> Power Distribution Module >> Service and Repair >> Power Inverter Module - Installation

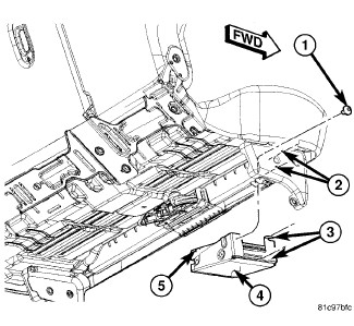
Power Inverter Module - Installation






INSTALLATION






NOTE: If a new inverter module is being installed, the mounting bracket will need to be transferred from the old module to the new.

1. Install the inverter module (4) onto the mounting bracket assembly (5).
2. Position the module and bracket onto the rear seat frame. Line up the mounting tabs (3) with the slots in the seat frame (2).
3. Push the module forward to engage the mounting tabs and install the fastener (1).
4. NOTE: Ensure the module electrical connector is connected during seat installation.
Install the rear seat assembly, Seat - Installation.
5. Connect the battery negative cable.