lemon-mirror:
Home >> Jeep >> 2008 >> Liberty 2WD V6-3.7L >> Repair and Diagnosis >> Power and Ground Distribution >> Power Distribution Module >> Service and Repair >> Module-Totally Integrated Power >> Removal

Removal







REMOVAL





1. Open hood.
2. Disconnect and isolate the battery negative cable.
3. Open the Totally Integrated Power Module (TIPM) cover (4).
4. Remove the TIPM positive cable retaining nut (1) and remove the cable (2) from the mounting stud (3).




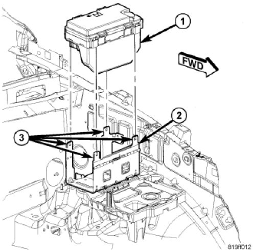
5. Using an appropriate flat bladed tool, depress the four mounting clips to disengage and remove the TIPM housing (1) from the TIPM bracket mounting tabs (3).




6. Disconnect each of the seven TIPM wire harness connectors from the TIPM housing (2).
7. Remove the TIPM from the vehicle.