lemon-mirror:
Home >> Jeep >> 2008 >> Liberty 2WD V6-3.7L >> Repair and Diagnosis >> Diagrams >> Connector Views >> Power Distribution Module >> Module-Totally Integrated Power

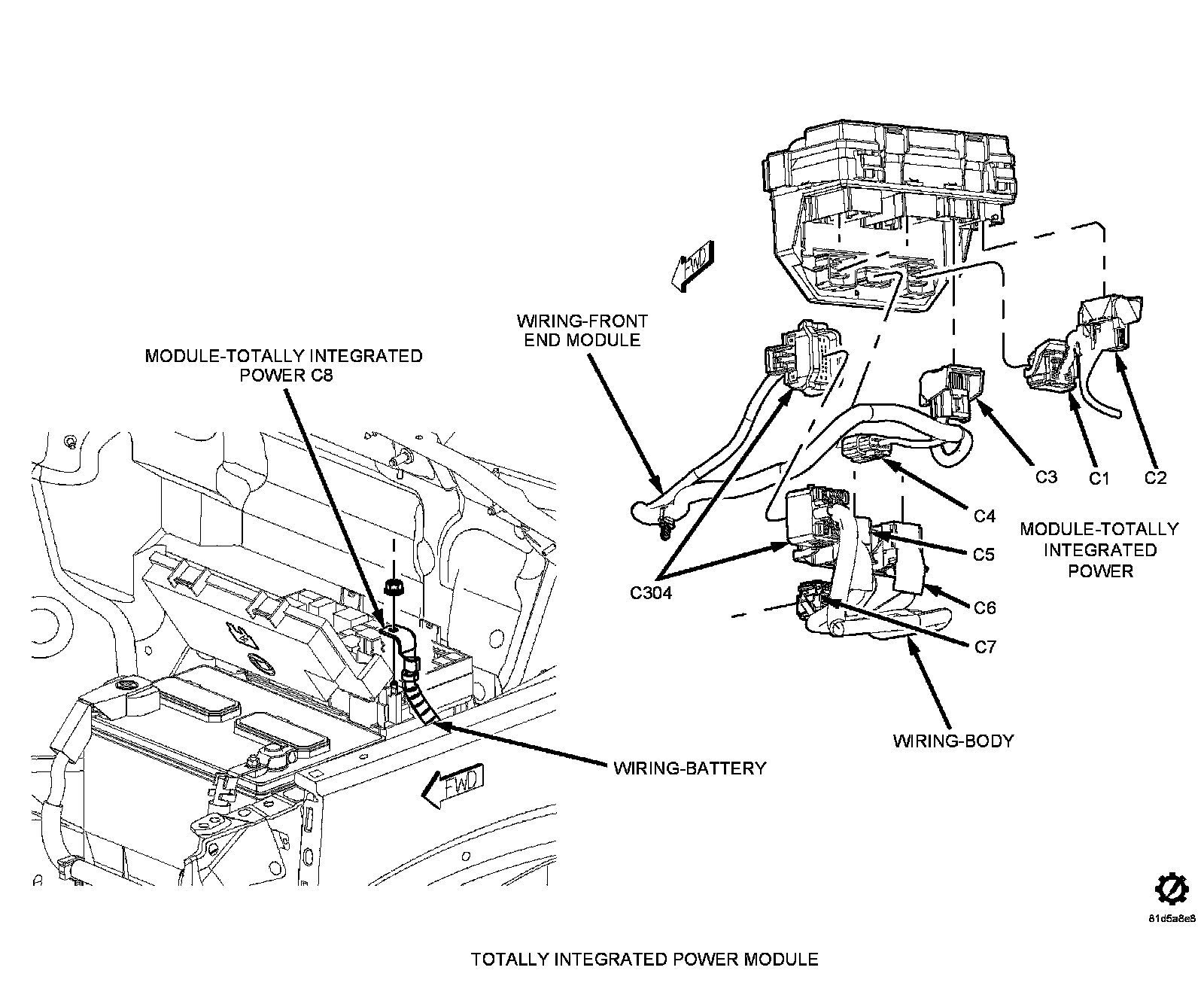
Module-Totally Integrated Power




Component ID: 212
Component : MODULE-TOTALLY INTEGRATED POWER

Connector:
Name : MODULE-TOTALLY INTEGRATED POWER C1
Color : BLACK
# of pins : 50




Pin Circuit Description
1 - -
2 C18 20LB/BR A/C PRESSURE TRANSDUCER SIGNAL
3 - -
4 - -
5 - -
6 C13 18LB/OR A/C CLUTCH CONTROL
6 C13 20LB/OR A/C CLUTCH CONTROL
7 T2 18DG/WT BACKUP LAMP SWITCH SIGNAL
8 - -
9 - -
10 F941 18PK/LG FUSED IGNITION SWITCH OUTPUT (RUN-START)
10 T15 18YL/BR TRANSMISSION CONTROL
11 C818 20LB/OR A/C PRESSURE 5 VOLT SUPPLY
12 - -
13 - -
14 - -
15 D64 20WT/LB CAN C BUS (-)
16 D65 20WT/BK CAN C BUS (+)
16 D65 20WT/LG CAN C BUS (+)
17 C918 20BK/LB A/C PRESSURE SENSOR GROUND
18 - -
19 - -
20 - -
21 - -
22 - -
23 K361 18WT/BR CABIN HEATER 2 RELAY CONTROL
24 K363 18OR/BR CABIN HEATER 3 RELAY CONTROL
25 K360 18GY/BR CABIN HEATER 1 RELAY CONTROL
26 - -
27 Z933 18BK GROUND
27 Z905 18BK GROUND
28 K91 18DB/YL SENSOR GROUND
29 - -
30 - -
31 - -
32 - -
33 - -
34 Z903 18BK GROUND
35 - -
36 - -
37 - -
38 - -
39 - -
40 K31 18BR FUEL PUMP CONTROL
40 K31 20BR FUEL PUMP CONTROL
41 - -
42 - -
43 - -
44 - -
45 - -
46 - -
47 - -
48 - -
49 F1 20PK/WT IGNITION SWITCH OUTPUT (UNLOCK-RUN-START)
49 F1 18PK/WT IGNITION SWITCH OUTPUT (UNLOCK-RUN-START)
50 C3 18DB/YL A/C CLUTCH CONTROL OUTPUT

Component Location - 3




Component Location - 21




Component Location - 23




Component Location - 22






Connector:
Name : MODULE-TOTALLY INTEGRATED POWER C2
Color : BLUE
# of pins : 26




Pin Circuit Description
1 - -
2 - -
3 F344 16BR/GY FUSED ASD RELAY OUTPUT
4 - -
5 - -
6 - -
7 F942 20PK/LG -
8 T750 12YL/GY STARTER RELAY OUTPUT
9 A209 18RD FUSED B(+)
10 - -
11 - -
12 - -
13 - -
14 K51 20BR/OR ASD RELAY CONTROL
14 K51 18BR/WT ASD RELAY CONTROL
15 - -
16 - -
17 Z933 14BK GROUND
17 Z905A 14BK -
18 - -
19 - -
20 - -
21 - -
22 F202 20PK/GY FUSED RUN/START RELAY OUTPUT
23 - -
24 T752 18DG/OR STARTER RELAY CONTROL
25 - -
26 T16 14YL/OR TRANSMISSION CONTROL OUTPUT

Component Location - 3




Component Location - 21




Component Location - 23




Component Location - 22






Connector:
Name : MODULE-TOTALLY INTEGRATED POWER C3
Color : GREEN
# of pins : 26




Pin Circuit Description
1 A16 10RD/BR FUSED B(+)
2 K175 18BR/LB HIGH SPEED RAD FAN RELAY CONTROL
3 L43 18WT/DB LEFT LOW BEAM DRIVER
4 - -
5 - -
6 L910 18BK/TN RIGHT HEADLAMP RETURN SIGNAL
7 - -
8 N23 10DB/DG LOW SPEED RAD FAN CONTROL (PWM)
9 - -
10 L33 18WT/LG LEFT HIGH BEAM DRIVER
11 L44 18WT/TN RIGHT LOW BEAM DRIVER
12 L60 18WT/TN RIGHT FRONT PARK SIGNAL CONTROL
13 L911 18BK/LG LEFT HEADLAMP RETURN SIGNAL
14 - -
15 - -
16 - -
17 - -
18 X21 18GY/YL FUSED HORN CONTROL OUTPUT
19 L34 18WT/GY RIGHT HIGH BEAM DRIVER
20 L61 18WT/LG LEFT FRONT PARK SIGNAL CONTROL
21 W20 16BR/YL REAR WASHER PUMP MOTOR CONTROL
22 W24 18BR/OR FUSED RUN RELAY OUTPUT
23 - -
24 X22 18GY/LB FUSED HORN CONTROL OUTPUT
25 W10 16BR FRONT WASHER PUMP MOTOR CONTROL
26 - -

Component Location - 3




Component Location - 21




Component Location - 23




Component Location - 22






Connector:
Name : MODULE-TOTALLY INTEGRATED POWER C4
Color : LT. GRAY
# of pins : 16




Pin Circuit Description
1 - -
2 L162 18WT/BR RIGHT SIDE REPEATER LAMP CONTROL OUTPUT
3 G70 18VT/LB HOOD AJAR SWITCH SENSE
4 - -
5 - -
6 L163 18WT/VT LEFT SIDE REPEATER LAMP CONTROL OUTPUT
7 L160 18WT/TN RIGHT FRONT TURN SIGNAL CONTROL
8 - -
9 L161 18WT/LG LEFT FRONT TURN SIGNAL CONTROL
10 - -
11 L90 18WT/OR RIGHT FRONT FOG LAMP CONTROL
12 L13 18WT/YL HEADLAMP ADJUST SIGNAL
13 L135 20LG/WT HEADLAMP LEVEL CONTROL SIGNAL
14 G931 18VT/BR SENSOR GROUND
15 G31 18VT/LG AAT SIGNAL
16 L89 18WT/YL LEFT FRONT FOG LAMP CONTROL

Component Location - 3




Component Location - 21




Component Location - 23




Component Location - 22






Connector:
Name : MODULE-TOTALLY INTEGRATED POWER C5
Color : BROWN
# of pins : 40




Pin Circuit Description
1 - -
2 - -
3 A901 18RD FUSED B(+)
4 F943 18PK/LG FUSED IGNITION SWITCH OUTPUT (RUN-START)
5 P940 18TN/BR PASSENGER DOOR UNLOCK DRIVER
6 A855 20DG/RD FUSED B(+)
6 A855 18DG/RD FUSED B(+)
7 P34 18TN/LB RIGHT REAR DOOR UNLOCK DRIVER
8 L17 18WT/LG LEFT REAR PARK LAMP CONTROL OUTPUT
9 F342 16BR/WT FUSED ASD RELAY OUTPUT
10 N1 16DB/OR FUSED FUEL PUMP OUTPUT
11 W4 14BR/OR FRONT WIPER HIGH/LOW RELAY HIGH SPEED OUTPUT
12 W3 14BR/WT FRONT WIPER HIGH/LOW RELAY LOW SPEED OUTPUT
13 A115 14RD FUSED B(+)
14 Z907 14BK/PK GROUND
15 L1 18WT/LG BACKUP LAMP RELAY OUTPUT
16 A107 12TN/RD FUSED B(+) (PUMP)
17 P306 16LG/LB LIFTGATE UNLOCK DRIVER
18 P5 18TN/OR LEFT REAR DOOR UNLOCK DRIVER
19 C110 20DB/LB FUSED REAR WINDOW DEFOGGER RELAY OUTPUT
20 - -
21 - -
22 A408 18WT/RD FUSED B(+)
23 A413 18RD FUSED B(+) (I.O.D.)
24 - -
25 - -
26 - -
27 W13 16BR/LG FUSED REAR WIPER MOTOR CONTROL OUTPUT
28 Z903 14BK GROUND
29 A116 14YL/RD FUSED B(+) (I.O.D.)
30 A417 18RD FUSED B(+)
30 A417 20RD FUSED B(+)
31 A111 14DG/RD FUSED B(+) (VALVE)
32 C15 12DB/WT FUSED REAR WINDOW DEFOGGER RELAY OUTPUT
33 A414 18RD FUSED B(+) (I.O.D.)
34 - -
35 A416 18RD FUSED B(+) (I.O.D.)
36 L217 18WT/VT RIGHT REAR PARK LAMP CONTROL OUTPUT
37 - -
38 F941 20PK/LG FUSED RUN/START RELAY OUTPUT
39 - -
40 A959 14RD FUSED B(+)

Component Location - 3




Component Location - 21




Component Location - 23




Component Location - 22






Connector:
Name : MODULE-TOTALLY INTEGRATED POWER C6
Color : GRAY
# of pins : 40




Pin Circuit Description
1 - -
2 - -
3 P910 18TN/LG DRIVER DOOR UNLOCK DRIVER
4 P920 18LG/GY PASSENGER DOOR LOCK DRIVER
5 A412 18RD FUSED B(+)
6 P304 16LG/DB LIFTGATE LOCK DRIVER
7 F201 20PK/OR FUSED RUN/START RELAY OUTPUT
8 P930 18TN/WT DRIVER DOOR LOCK DRIVER
9 - -
10 - -
11 C7 10DB BLOWER MOTOR SUPPLY
12 F307 18LB/PK FUSED ACCESSORY RELAY OUTPUT
13 - -
14 P693 16LG/WT HEATED SEAT MODULE SUPPLY
15 A906 12RD FUSED B(+)
15 A906 16RD FUSED B(+)
16 F30 14PK/YL FUSED RUN/ACCESSORY RELAY OUTPUT
17 F71 16PK/TN TRAILER TOW IGNITION FEED
18 P32 18TN/VT LEFT REAR DOOR LOCK DRIVER
19 F921 20PK/YL FUSED RUN RELAY OUTPUT
20 P38 18TN/DB RIGHT REAR DOOR LOCK DRIVER
21 A106 20LB/RD FUSED B(+)
22 - -
23 - -
24 - -
25 - -
26 F306 16DB/PK FUSED ACCESSORY RELAY OUTPUT
27 A904 14RD FUSED B(+)
28 - -
29 A909 18RD FUSED B(+)
30 A206 18RD TRAILER TOW BRAKE B(+)
31 A108 18LG/RD FUSED B(+)
32 A907 12RD FUSED B(+)
33 A27 20RD/LB FUSED B(+)
34 - -
35 - -
36 - -
37 - -
38 F100 20PK/VT FUSED RUN RELAY OUTPUT
39 A215 14RD/LG FUSED B(+)
40 A214 14RD/LB FUSED B(+)

Component Location - 3




Component Location - 21




Component Location - 23




Component Location - 22






Connector:
Name : MODULE-TOTALLY INTEGRATED POWER C7
Color :
# of pins : 50




Pin Circuit Description
1 B20 20DG/OR BRAKE FLUID LEVEL SIGNAL
2 G161 20VT/DG DRIVER DOOR LOCK SWITCH MUX
3 G160 20VT/LG PASSENGER DOOR LOCK SWITCH MUX
4 - -
5 Q80 20OR/VT FLIP-UP GLASS SWITCH SENSE
6 L899 18WT/OR REAR FOG LAMP SIGNAL CONTROL
7 N4 18DB/WT FUEL LEVEL SIGNAL
8 W7 20BR/GY FRONT WIPER PARK SWITCH SENSE
9 L91 18WT/DB HAZARD SWITCH SENSE
10 L51 18WT/DG BRAKE LAMP SWITCH OUTPUT
10 L51 18WT/TN BRAKE LAMP SWITCH OUTPUT
11 G75 20VT DRIVER DOOR AJAR SWITCH SENSE
12 G74 20VT/WT PASSENGER DOOR AJAR SWITCH SENSE
13 - -
14 G76 20VT/YL RIGHT REAR DOOR AJAR SWITCH SENSE
15 G78 20VT/OR LIFTGATE AJAR SWITCH SENSE
16 G77 20VT/GY LEFT REAR DOOR AJAR SWITCH SENSE
17 G80 20VT/YL FLIP-UP GLASS AJAR SWITCH SENSE
18 - -
19 - -
20 R57 20LG/GY DRIVER SEAT BELT SWITCH SENSE
21 - -
22 - -
23 - -
24 D72 20WT/LB DIAGNOSTIC CAN C (+)
25 D71 20WT/DB DIAGNOSTIC CAN C (-)
26 D265 20WT/GY CAN INTERIOR BUS (+)
27 D264 20WT/OR CAN INTERIOR BUS (-)
28 - -
29 - -
30 F20 20PK/WT IGNITION SWITCH OUTPUT (RUN-START)
31 - -
32 - -
33 - -
34 P37 20LG/TN DOOR LOCK SWITCH RETURN
35 - -
36 - -
37 - -
38 P391 18LG/DB SECONDARY DOOR UNLOCK RELAY CONTROL
39 - -
40 P805 18LG/LB INVERTOR CONTROL OUTPUT
41 P390 18LG/LB SECONDARY DOOR LOCK RELAY CONTROL
42 Q81 20OR/GY FLIP-UP GLASS RELAY OUTPUT
43 - -
44 L655 18WT/OR LEFT TRAILER TOW RELAY CONTROL
45 L656 18WT/DG RIGHT TRAILER TOW RELAY CONTROL
46 - -
47 L53 18DG/WT LEFT REAR STOP SIGNAL CONTROL
48 L54 18WT/LG RIGHT REAR STOP SIGNAL CONTROL
49 L63 18WT/DG LEFT REAR STOP/TURN SIGNAL CONTROL
49 L63 18DG/WT LEFT REAR STOP/TURN SIGNAL CONTROL
50 L62 18WT/OR RIGHT REAR STOP/TURN SIGNAL CONTROL

Component Location - 3




Component Location - 21




Component Location - 23




Component Location - 22






Connector:
Name : MODULE-TOTALLY INTEGRATED POWER C8
Color :
# of pins : 1




Pin Circuit Description
1 A0 4RD B(+)
Pin Circuit Description
1 A0 6RD B(+)

Component Location - 3




Component Location - 21




Component Location - 23




Component Location - 22