lemon-mirror:
Home >> Jeep >> 2008 >> Compass 2WD L4-2.4L >> Repair and Diagnosis >> Starting and Charging >> Battery >> Battery Cable >> Testing and Inspection

Battery Cable: Testing and Inspection







BATTERY CABLES

A voltage drop test will determine if there is excessive resistance in the battery cable terminal connections or the battery cable. If excessive resistance is found in the battery cable connections, the connection point should be disassembled, cleaned of all corrosion or foreign material, then reassembled. Following reassembly, check the voltage drop for the battery cable connection and the battery cable again to confirm repair.

When performing the voltage drop test, it is important to remember that the voltage drop is giving an indication of the resistance between the two points at which the voltmeter probes are attached. EXAMPLE: When testing the resistance of the battery positive cable, touch the voltmeter leads to the battery positive cable terminal clamp and to the battery positive cable eyelet terminal at the starter solenoid B(+) terminal stud. If you probe the battery positive terminal post and the battery positive cable eyelet terminal at the starter solenoid B(+) terminal stud, you are reading the combined voltage drop in the battery positive cable terminal clamp-to-terminal post connection and the battery positive cable.

VOLTAGE DROP TEST

The following operation will require a voltmeter accurate to 1/10 (0.10) volt. Before performing this test, be certain that the following procedures are accomplished:

- The battery is fully-charged and load tested. Refer to Standard Procedures for the proper battery charging and load test procedures.
- Fully engage the parking brake.
- If the vehicle is equipped with an automatic transmission, place the gearshift selector lever in the Park position. If the vehicle is equipped with a manual transmission, place the gearshift selector lever in the Neutral position and block the clutch pedal in the fully depressed position.
- Verify that all lamps and accessories are turned off.
- To prevent the engine from starting, remove the Automatic Shut Down (ASD) relay. The ASD relay can be found in the Fuse Block located in the left front bumper fascia. See the fuse and relay layout label affixed to the underside of the Fuse Block cover for ASD relay identification and location.





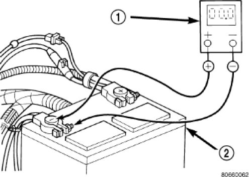
1. Connect the positive lead of the voltmeter (1) to the battery (2) negative terminal post. Connect the negative lead of the voltmeter (1) to the battery (2) negative cable terminal clamp. Rotate and hold the ignition switch in the Start position. Observe the voltmeter. If voltage is detected, correct the poor connection between the battery negative cable terminal clamp and the battery negative terminal post.




2. Connect the positive lead of the voltmeter (1) to the battery (2) positive terminal post. Connect the negative lead of the voltmeter (1) to the battery (2) positive cable terminal clamp. Rotate and hold the ignition switch in the Start position. Observe the voltmeter. If voltage is detected, correct the poor connection between the battery positive cable terminal clamp and the battery positive terminal post.




3. Connect the voltmeter (2) to measure between the battery positive cable terminal clamp (1) and the starter solenoid B(+) terminal stud (3). Rotate and hold the ignition switch in the Start position. Observe the voltmeter. If the reading is above 0.2 volt, clean and tighten the battery positive cable eyelet terminal connection at the starter solenoid B(+) terminal stud. Repeat the test. If the reading is still above 0.2 volt, replace the faulty battery positive cable.




4. Connect the voltmeter (1) to measure between the battery (2) negative cable terminal clamp and a good clean ground on the engine block (3). Rotate and hold the ignition switch in the Start position. Observe the voltmeter. If the reading is above 0.2 volt, clean and tighten the battery negative cable eyelet terminal connection to the engine block. Repeat the test. If the reading is still above 0.2 volt, replace the faulty battery negative cable.