lemon-mirror:
Home >> Jeep >> 2008 >> Compass 2WD L4-2.0L >> Repair and Diagnosis >> Powertrain Management >> Computers and Control Systems >> Main Relay (Computer/Fuel System) >> Locations

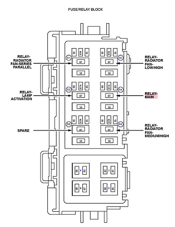
Main Relay (Computer/Fuel System): Locations








Main Relay is located in the Fuse/Relay Block.