lemon-mirror:
Home >> Jeep >> 2007 >> Wrangler V6-3.8L >> Repair and Diagnosis >> Powertrain Management >> Computers and Control Systems >> Relays and Modules - Computers and Control Systems >> Engine Control Module >> Service and Repair >> Powertrain Control Module - Removal

Powertrain Control Module - Removal






REMOVAL





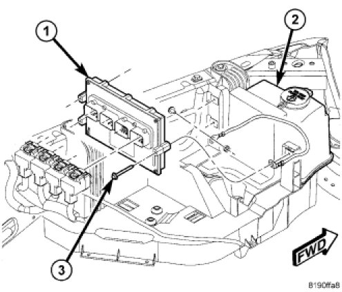
The PCM (Powertrain Control Module) (1) is located in the engine compartment near the windshield washer reservoir tank (2).

Use a diagnostic scan tool to reprogram the new Powertrain Control Module (PCM) with the vehicles original identification number (VIN) and the vehicles original mileage. If this step is
not done, a Diagnostic Trouble Code (DTC) may be set.


To avoid possible voltage spike damage to the PCM, ignition key must be off, and negative battery cable must be disconnected before unplugging PCM connectors.

1. Disconnect negative battery cable at battery.

2. Remove plastic shields from over four electrical connectors. Shields snap to connectors.

3. Carefully unplug four electrical connectors from PCM.

4. Remove three PCM mounting bolts (3) and remove PCM from vehicle.