lemon-mirror:
Home >> Jeep >> 2007 >> Wrangler V6-3.8L >> Repair and Diagnosis >> Powertrain Management >> Computers and Control Systems >> Engine Control Module >> Service and Repair >> Engine Control Module - Installation

Engine Control Module - Installation






INSTALLATION





Use a diagnostic scan tool to reprogram the new Engine Control Module (ECM) with the vehicles original identification number (VIN) and the vehicles original mileage. If this step is not
done, a Diagnostic Trouble Code (DTC) may be set.


1. Check pin connectors in ECM and electrical connectors for corrosion or damage. Also check pin heights in connectors. Pin heights should all be the same. Repair as necessary before installing electrical connectors.

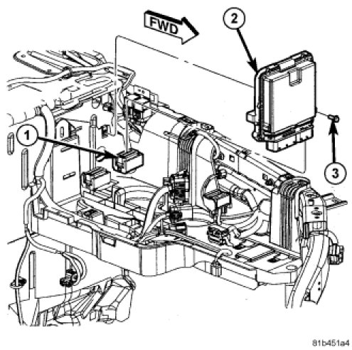
2. Install two electrical connectors to ECM.

3. Install ECM (2) and mounting screws (3) to vehicle.

4. Tighten screws to 4 Nm (35 in. lbs.).

5. Install plastic shield to electrical connectors. Shields snap to connectors.

6. Install negative battery cable.

7. Use a diagnostic scan tool to reprogram new ECM with vehicles original Vehicle Identification Number (VIN) and original vehicle mileage.