lemon-mirror:
Home >> Jeep >> 2006 >> Commander 2WD V8-4.7L VIN N >> Repair and Diagnosis >> Powertrain Management >> Computers and Control Systems >> Coolant Temperature Sensor/Switch (For Computer) >> Service and Repair

Coolant Temperature Sensor/Switch (For Computer): Service and Repair

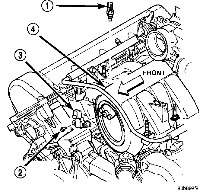
SENSOR-ENGINE COOLANT TEMPERATURE

REMOVAL
4.7L





WARNING: Hot, pressurized coolant can cause injury by scalding. Cooling system must be partially drained before removing the engine coolant temperature (ECT) sensor.

The ECT sensor is located near the front of the intake manifold.
1. Partially drain cooling system.
2. Disconnect electrical connector from ECT sensor.
3. Remove sensor from intake manifold.

INSTALLATION





1. Install sensor.
2. Tighten to 11 Nm (8 ft. lbs.) torque.
3. Connect electrical connector to sensor.
4. Replace any lost engine coolant.