lemon-mirror:
Home >> Jeep >> 2003 >> TJ (CANADA) L4-2.4L >> Repair and Diagnosis >> Powertrain Management >> Computers and Control Systems >> Body Control Module >> Diagrams >> Electrical Diagrams

Electrical Diagrams

Airbag System:




Base Audio System:




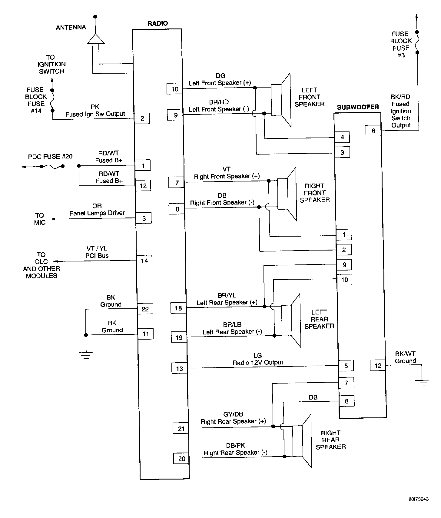
Premium Audio System:




Chime System:




Compass/Temperature Mirror:




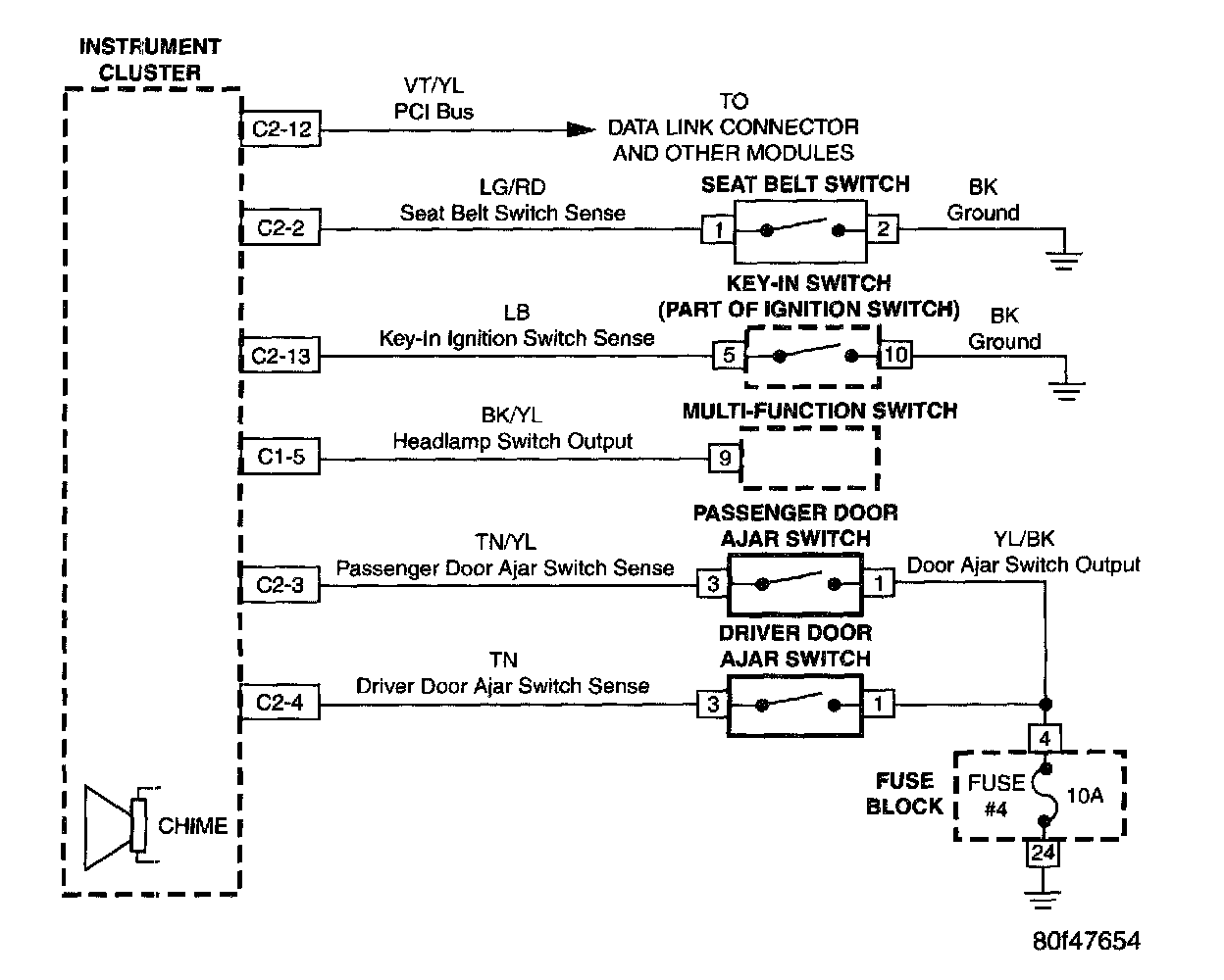
Instrument Cluster:




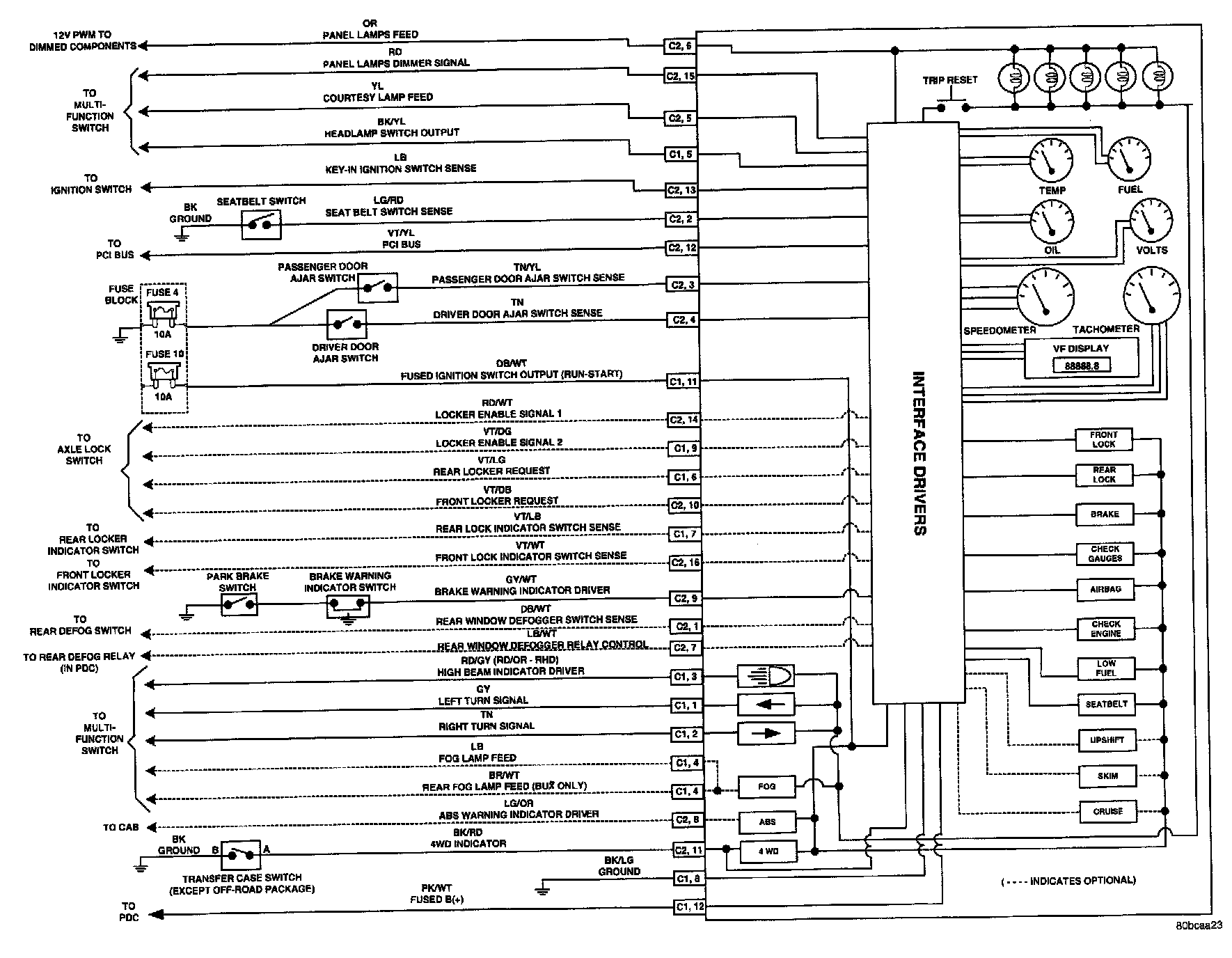
Instrument Cluster/Axle Locker System:




Interior Lighting:




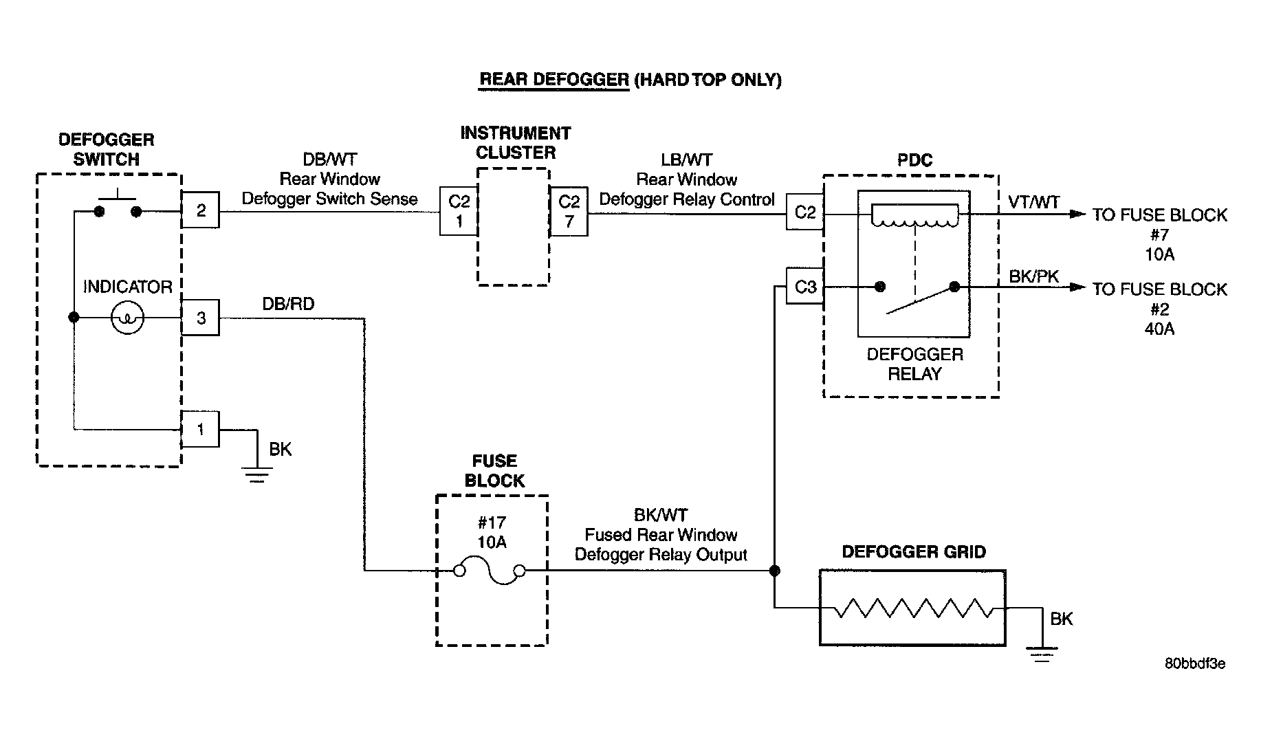
Rear Defogger:




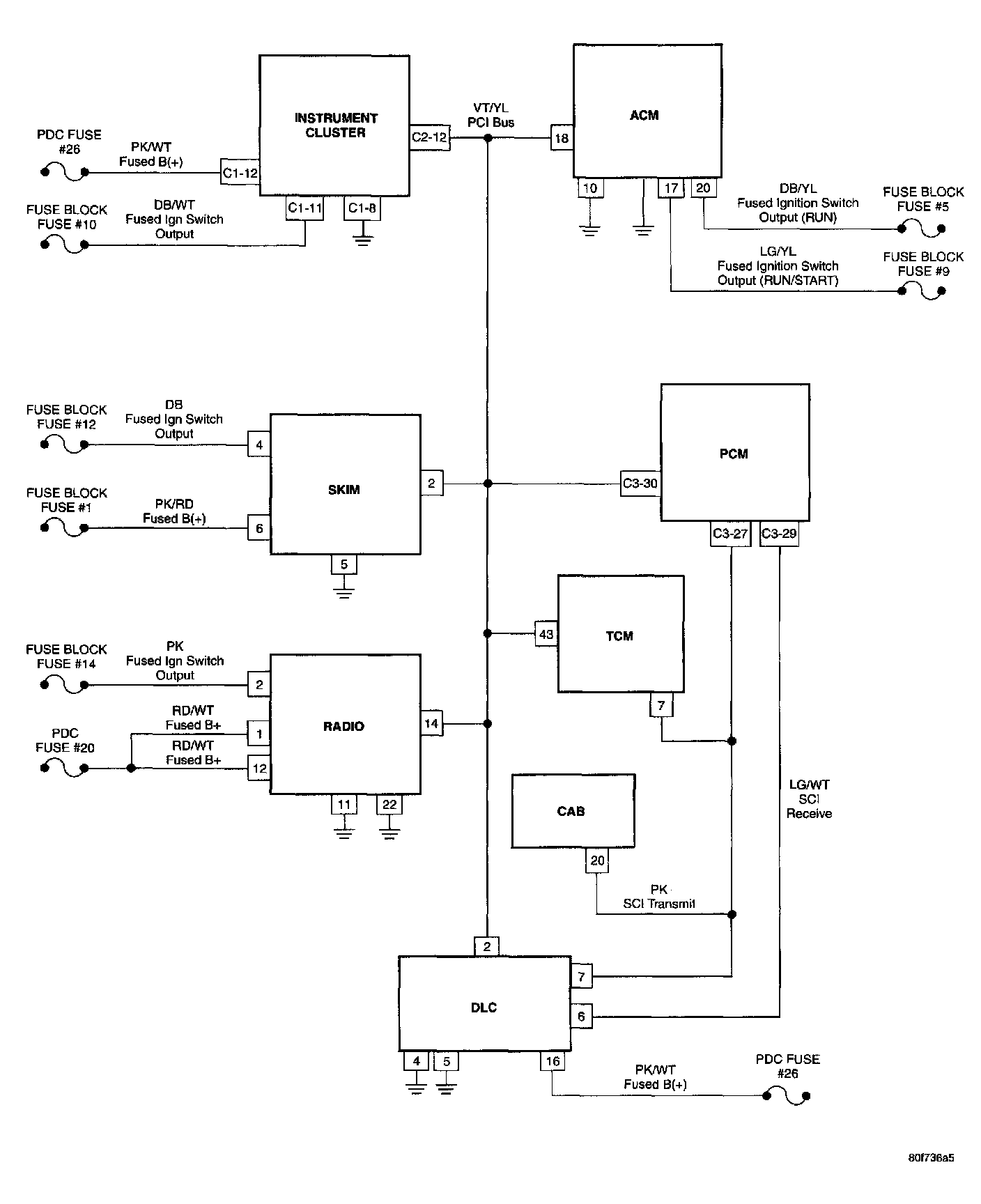
Vehicle Communications: