lemon-mirror:
Home >> Jeep >> 2003 >> TJ (CANADA) L4-2.4L >> Repair and Diagnosis >> Diagrams >> Exploded Views >> Front Door

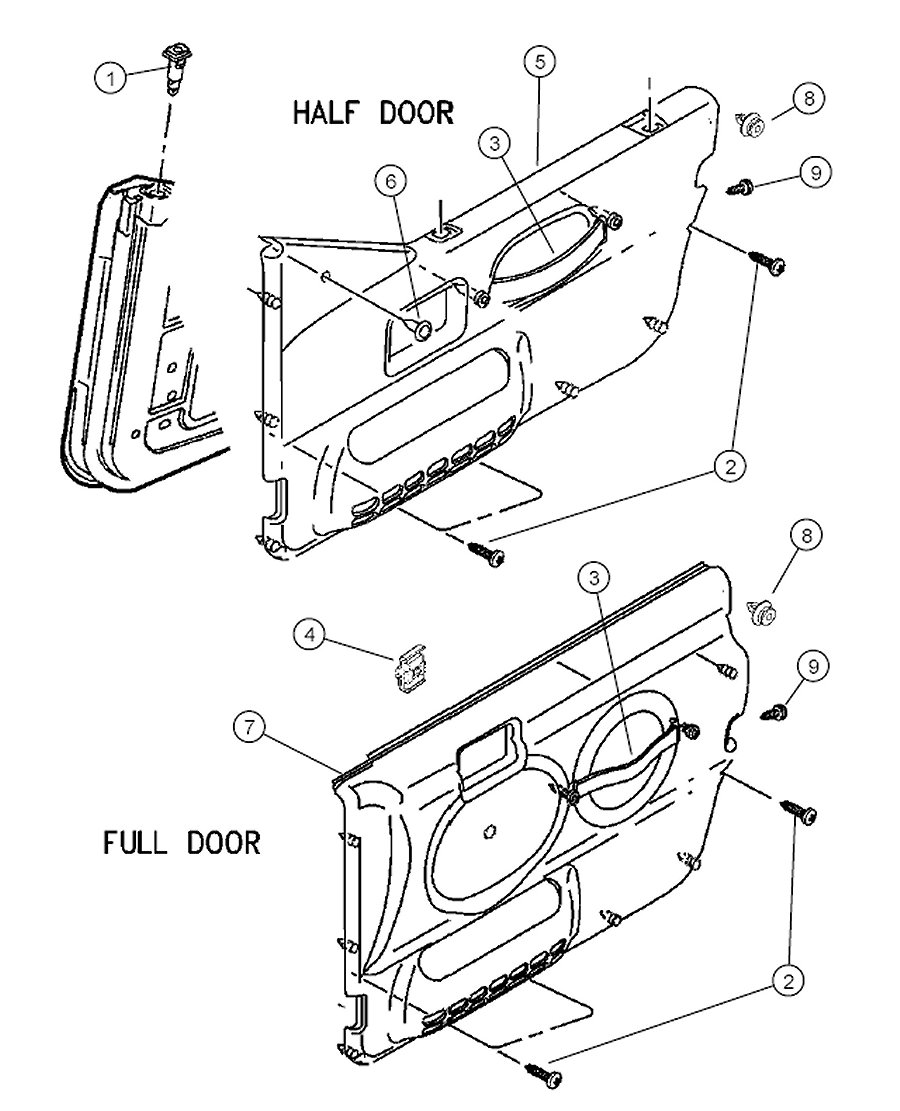
Front Door