lemon-mirror:
Home >> Jeep >> 2003 >> Grand Cherokee 2WD V8-4.7L >> Repair and Diagnosis >> Diagrams >> Connector Views >> Control Module, A/T

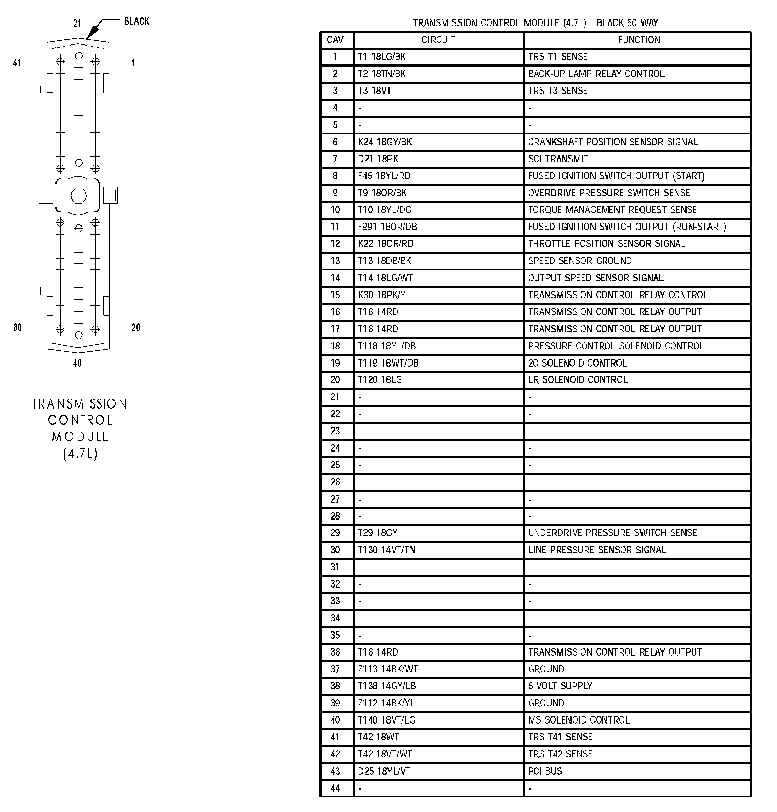
Control Module, A/T

Transmission Control Module (4.7L) Part 1 Of 2:



Transmission Control Module (4.7L) Part 2 Of 2: