lemon-mirror:
Home >> Jeep >> 2002 >> TJ (CANADA) L4-2.5L >> Repair and Diagnosis >> Diagrams >> Electrical Diagrams >> Powertrain Management >> Computers and Control Systems >> Engine Control Module >> System Schematic

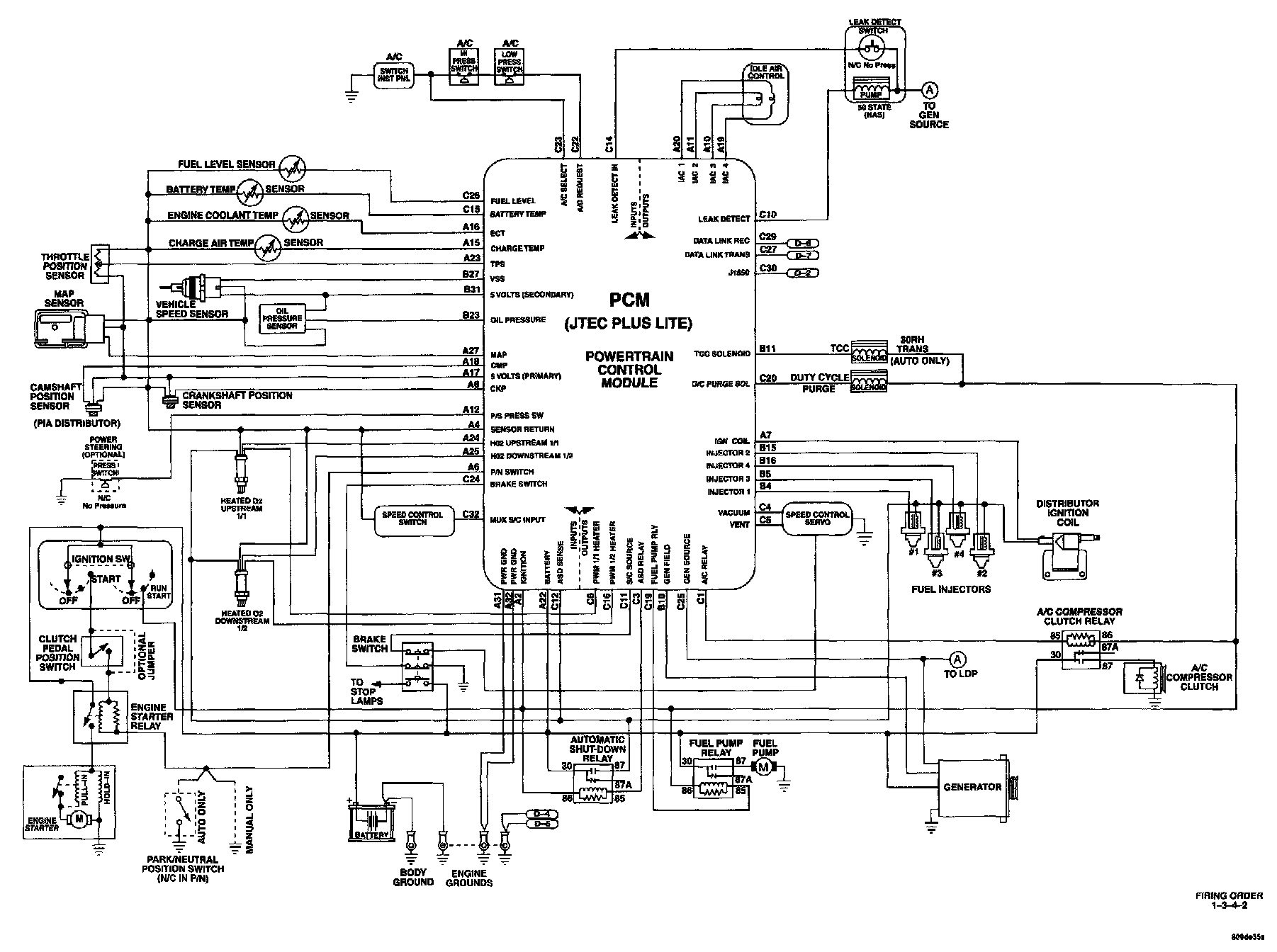
System Schematic

2001 Jeep TJ 2.5L JTEC System: