lemon-mirror:
Home >> Jeep >> 2002 >> Grand Cherokee 4WD Laredo V8-4.7L >> Repair and Diagnosis >> Diagrams >> Electrical Diagrams >> Powertrain Management >> Computers and Control Systems >> Body Control Module

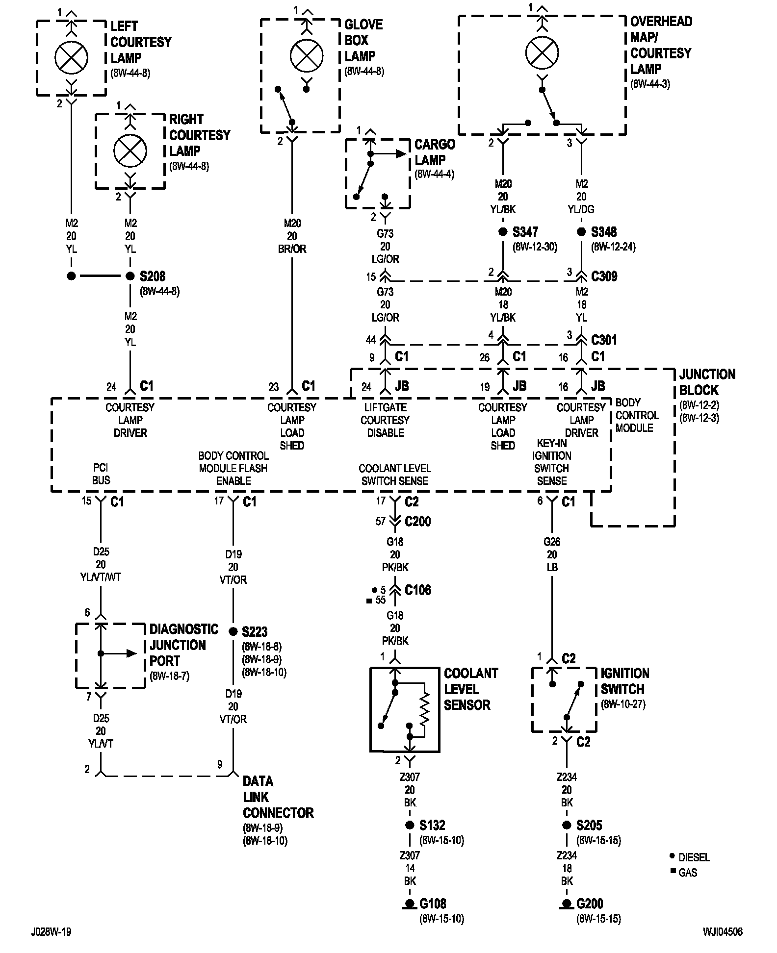
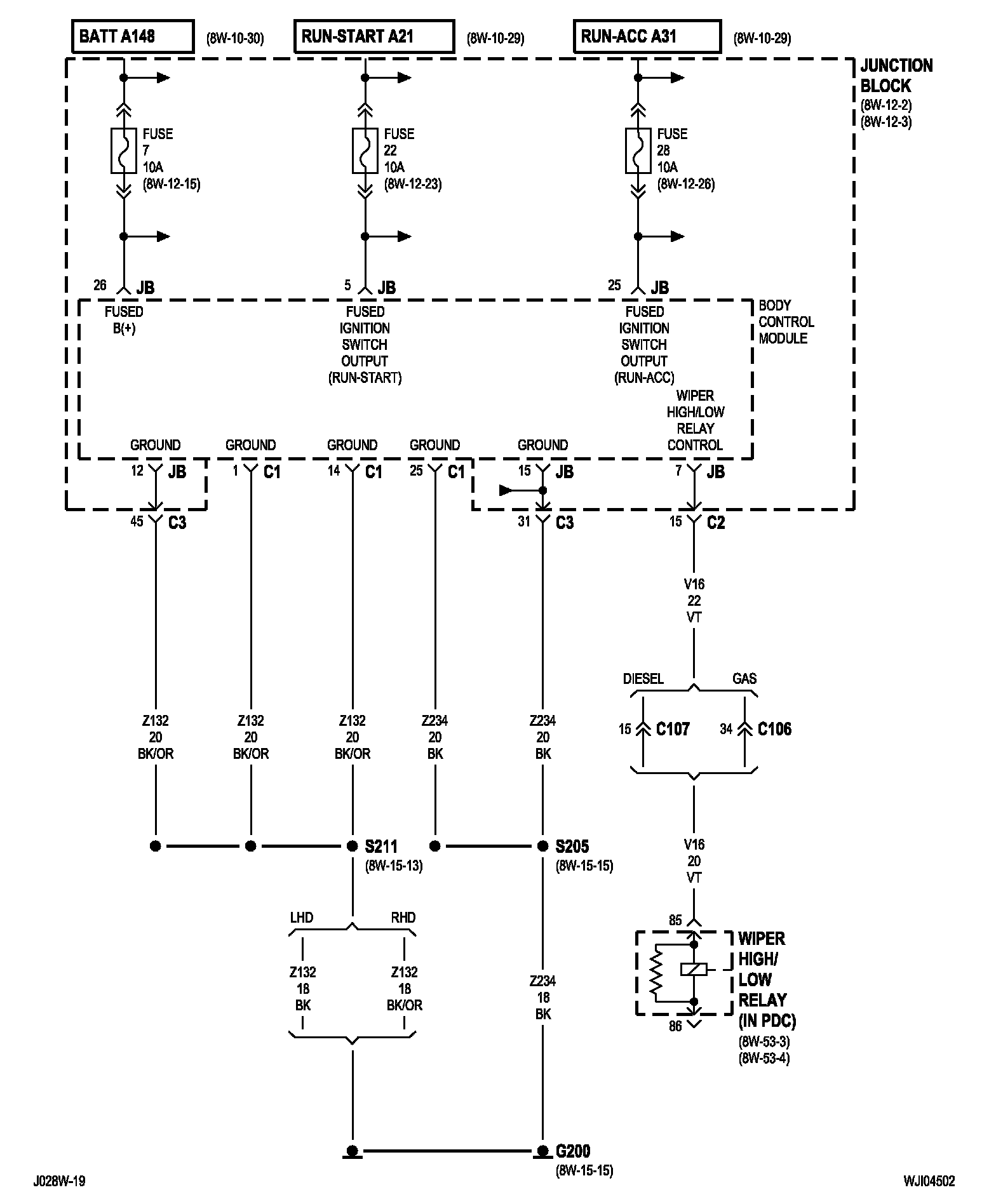
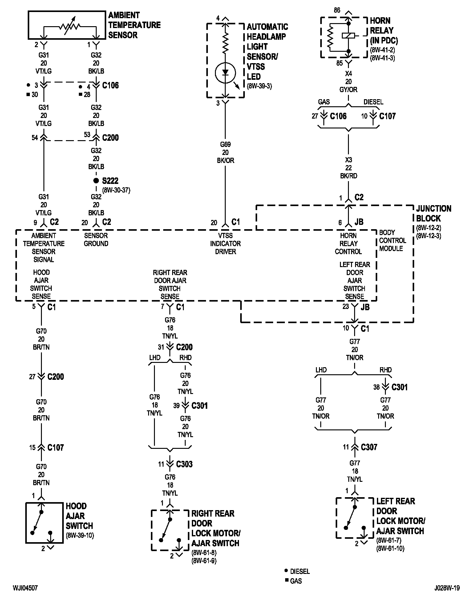
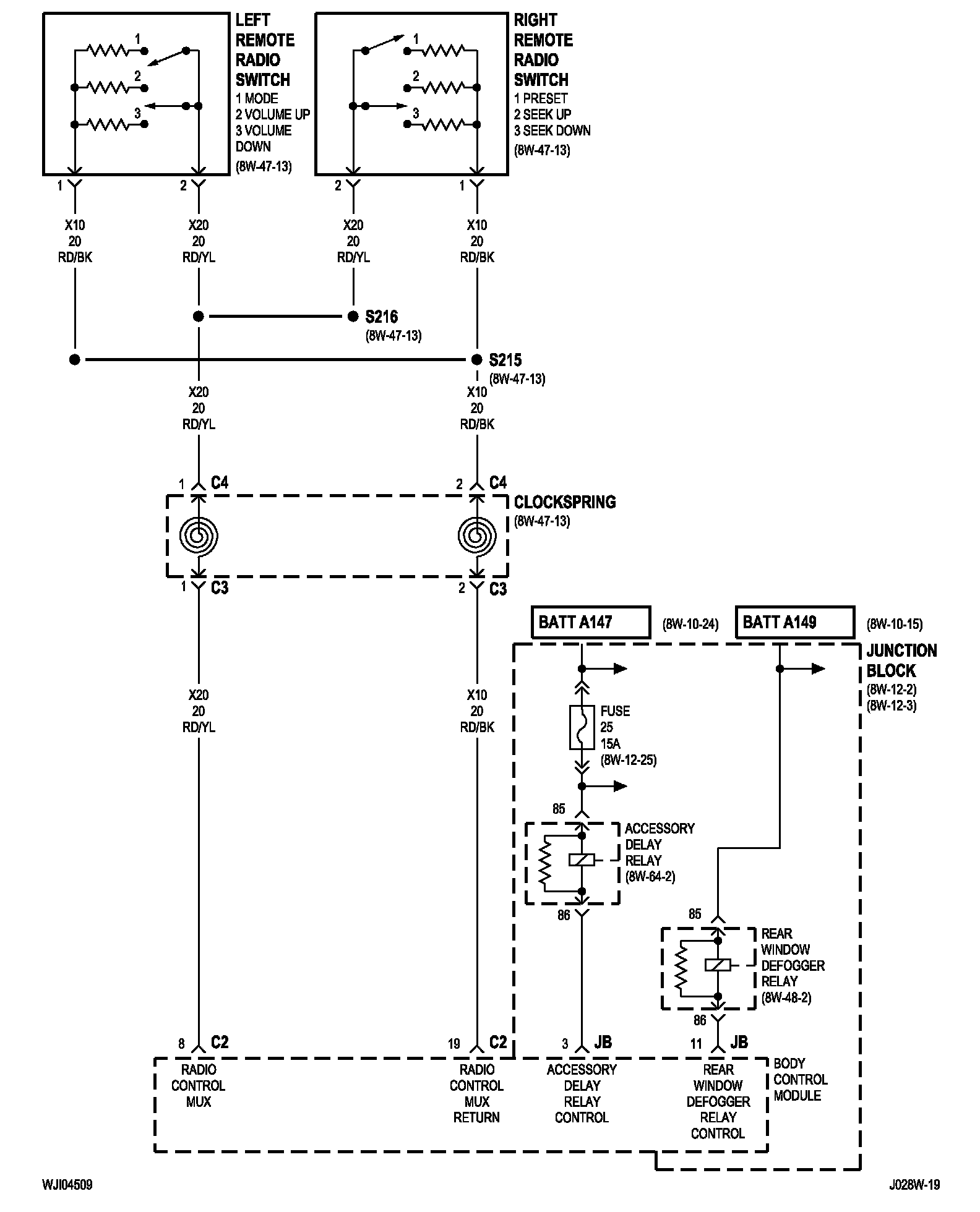
Body Control Module

8w-45-2:




8w-45-3:




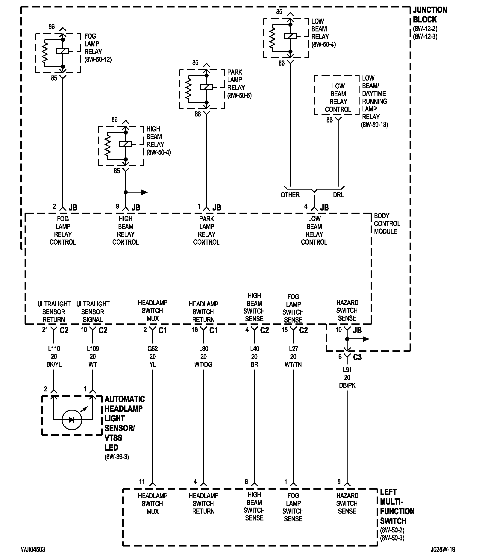
8w-45-4:




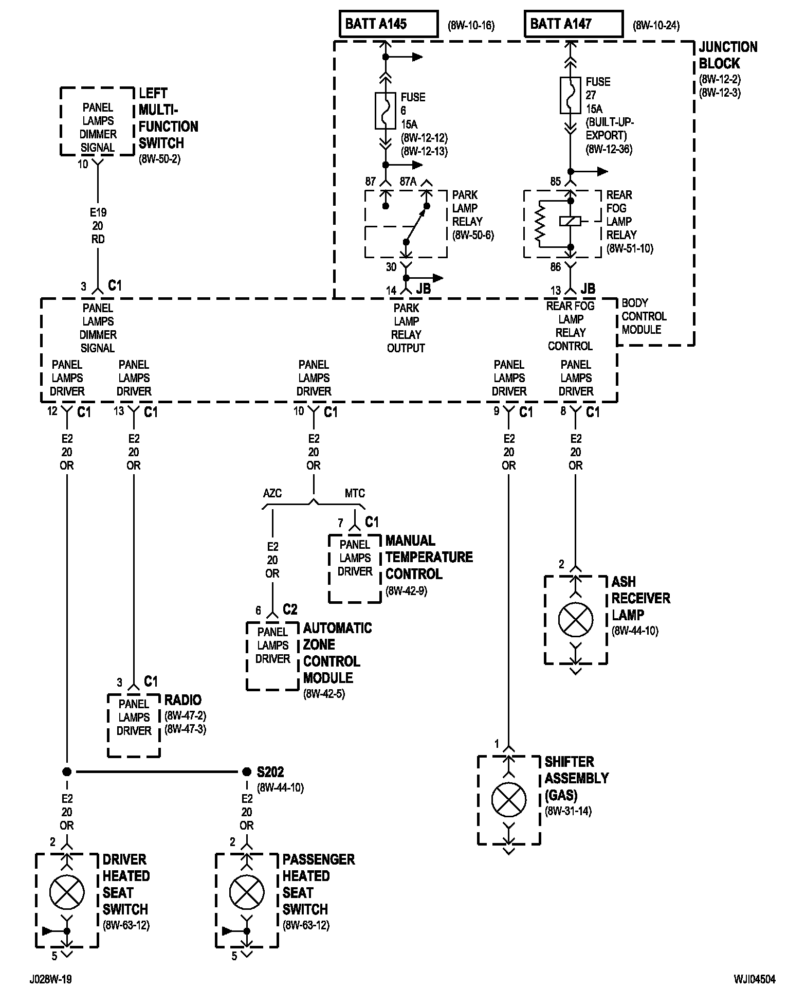
8w-45-5 (LHD):




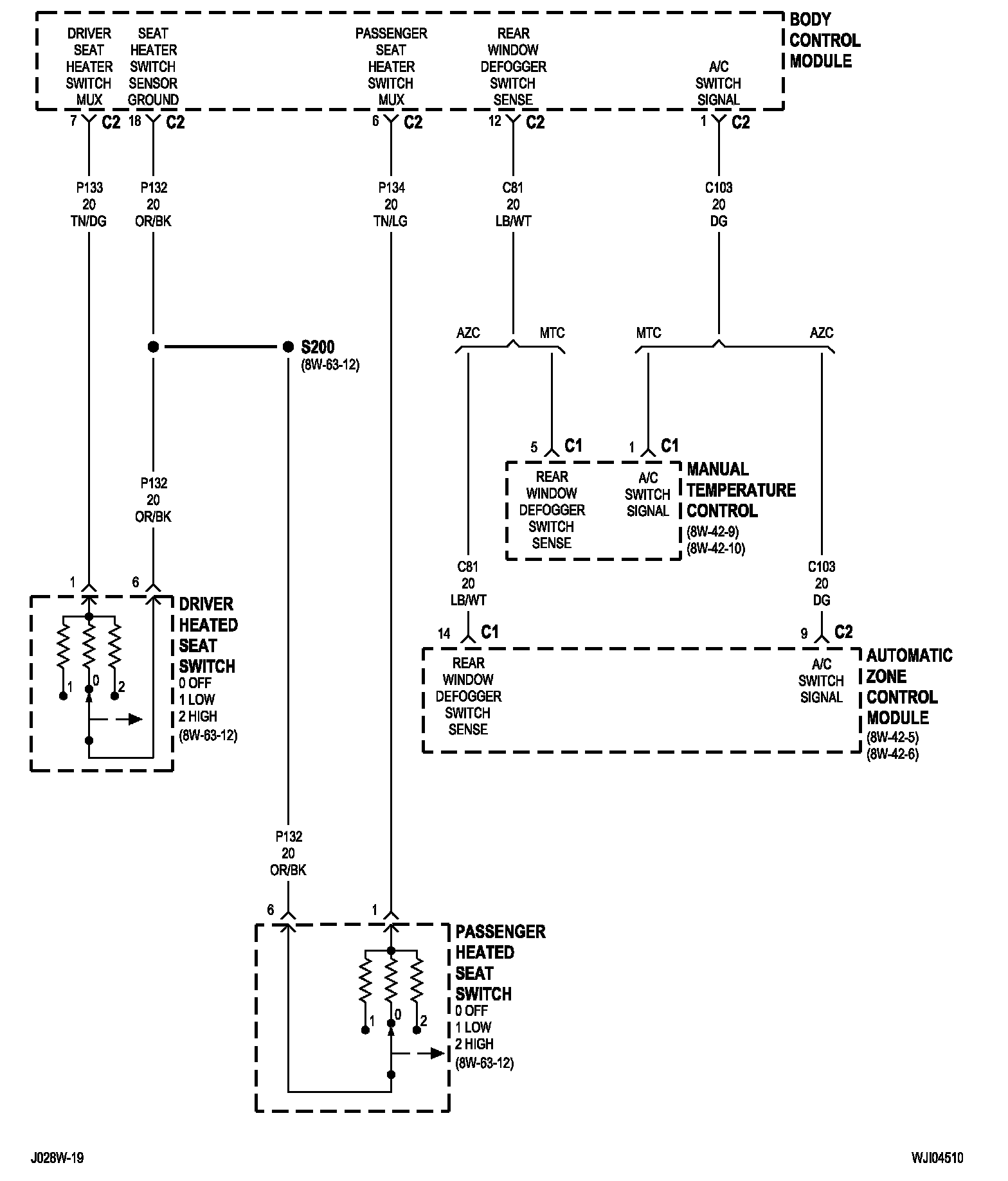
8w-45-6 (RHD):




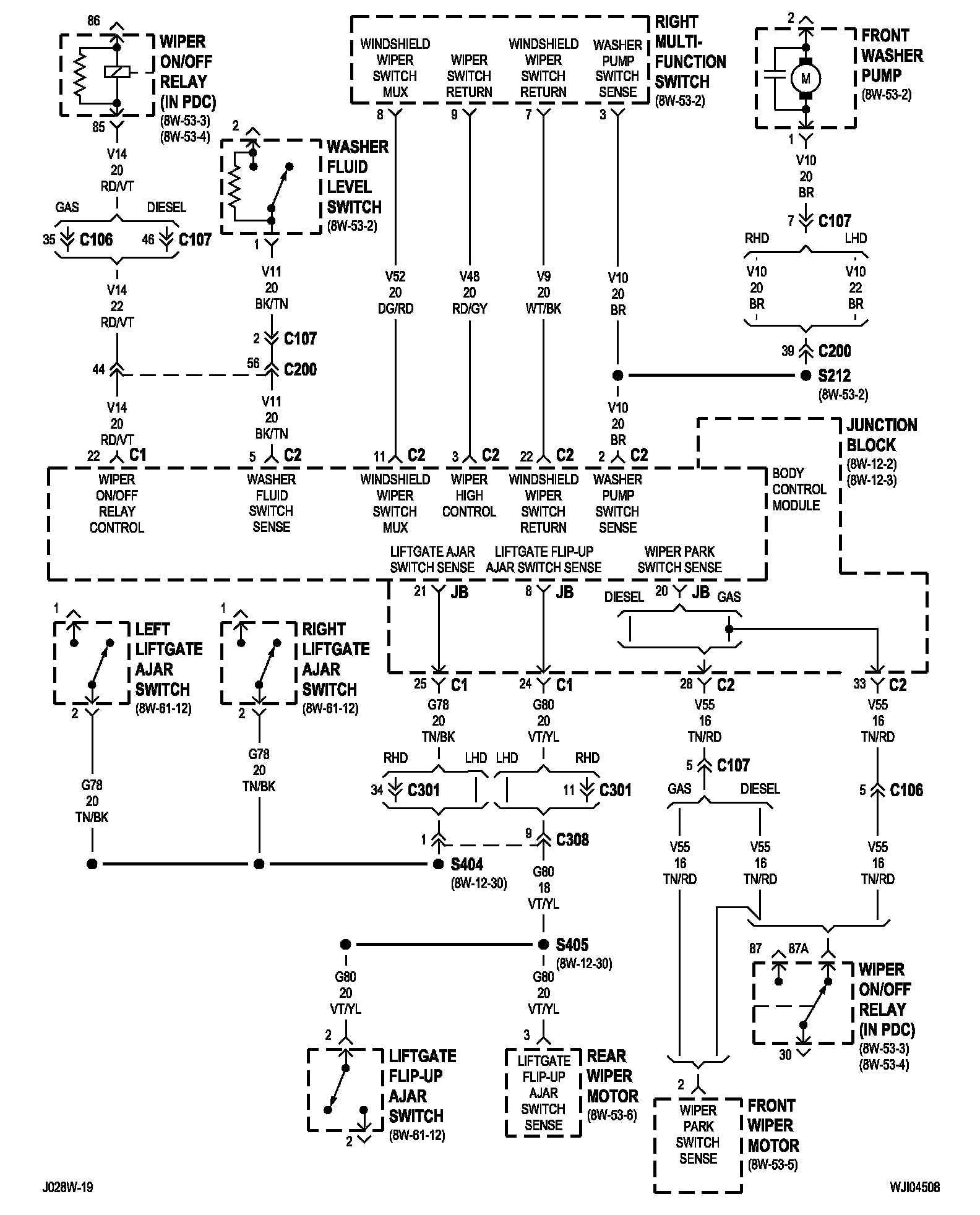
8w-45-7:




8w-45-8:




8w-45-9:




8w-45-10:






NOTE: To view sheets referred to in these diagrams, see Complete Body and Chassis Diagrams. Electrical Diagrams