lemon-mirror:
Home >> Jeep >> 2002 >> Grand Cherokee 2WD Laredo V8-4.7L >> Repair and Diagnosis >> Powertrain Management >> Computers and Control Systems >> Engine Control Module >> Diagrams >> Electrical Diagrams >> System Schematic

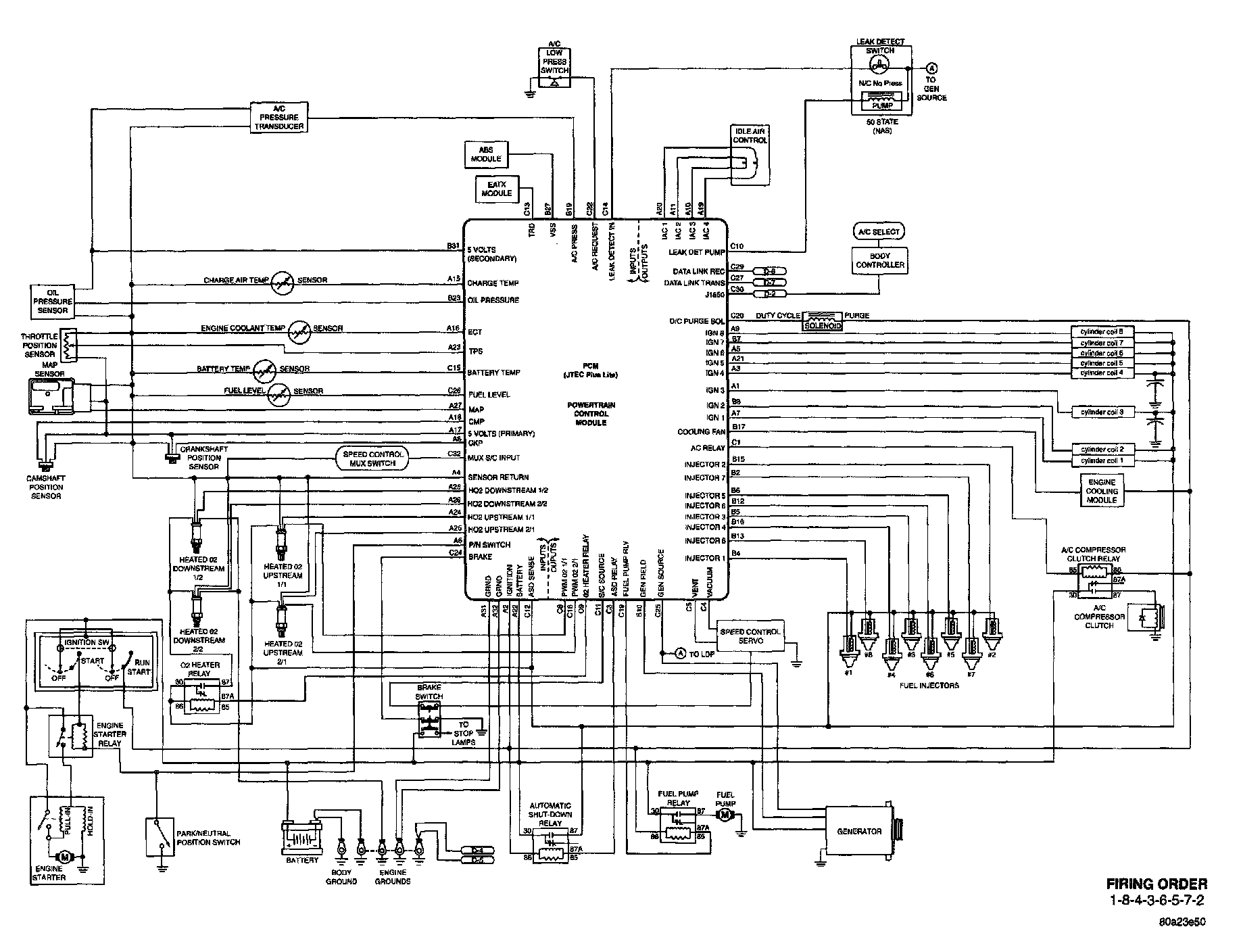
System Schematic

2001 Jeep WJ 4.7L JTEC System: