lemon-mirror:
Home >> Jeep >> 2002 >> Grand Cherokee 2WD Laredo V8-4.7L >> Repair and Diagnosis >> Diagrams >> Connector Views >> Control Module, A/T

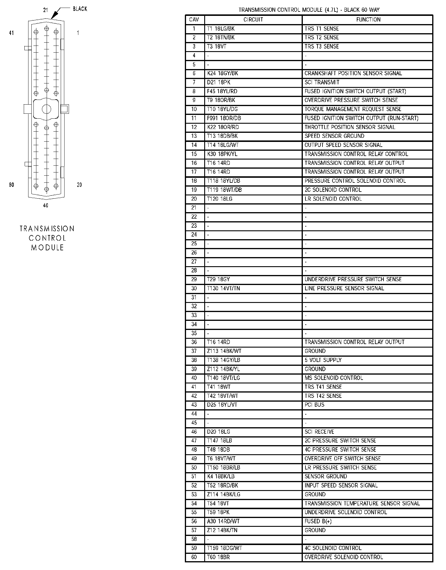
Control Module, A/T

Transmission Control Module (4.7L):