lemon-mirror:
Home >> Jeep >> 2001 >> TJ (CANADA) L6-4.0L >> Repair and Diagnosis >> Diagrams >> Electrical Diagrams >> Powertrain Management >> Computers and Control Systems >> Engine Control Module >> System Schematic

System Schematic

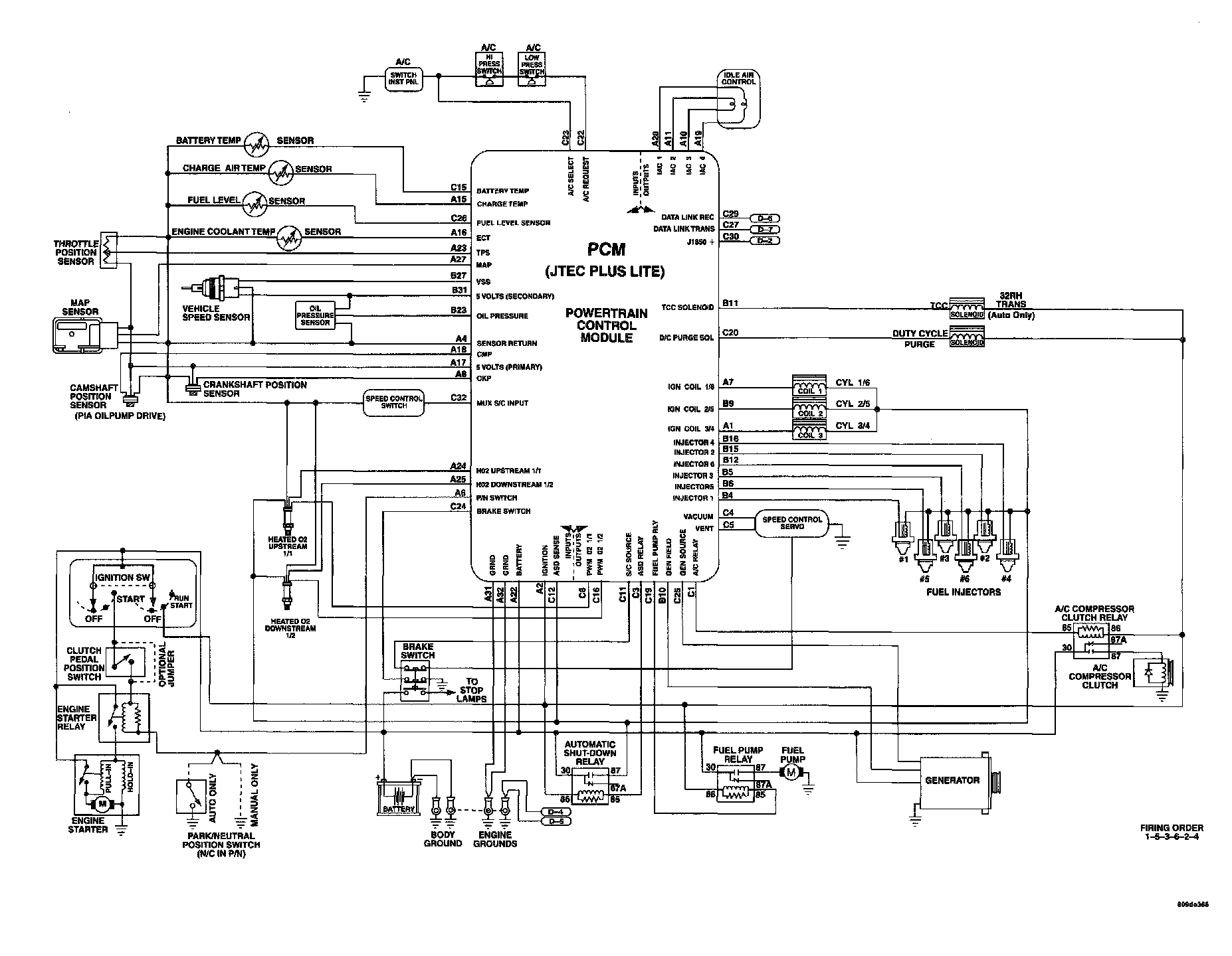
2001 Jeep TJ JTEC System:



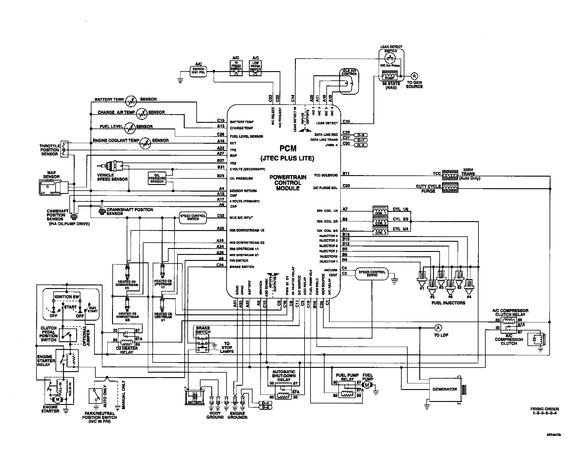
2001 Jeep TJ JTEC System: