lemon-mirror:
Home >> Jeep >> 2000 >> Cherokee 2WD L6-4.0L VIN S >> Repair and Diagnosis >> Diagrams >> Electrical Diagrams >> Powertrain Management >> Computers and Control Systems >> Engine Control Module >> System Schematic

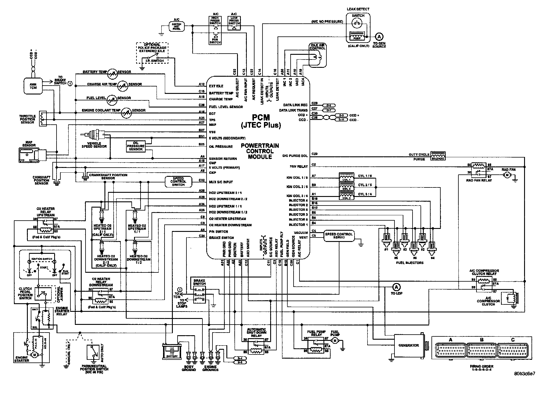
System Schematic

2000 Jeep XJ JTEC System: